своими руками, прицепное устройство, самодельный, чертежи, размеры, видео
Содержание
- Что представляет собой прицеп к мотоблоку
- Из балки ВАЗ-2109
- Как изготовить прицеп к мотоблоку своими руками
- Прицепное устройство для мотоблока
- Как сделать тормоза для прицепа
- Как присоединить автоприцеп к мотоблоку
Многие фермеры интересуются, как сделать прицеп для мотоблока своими руками. Дополнительные приспособления к мотоблоку, такие как прицеп, расширяют возможности техники. Облегчается процесс перевозки дров, сена, корма для скота, а также любого другого груза.
Что представляет собой прицеп к мотоблоку
Прицепное устройство к мотоблоку состоит из:
- кузова;
- колес;
- крыльев;
- сиденья;
- дышла;
- тормозов.
Способность кузова выдержать тот или иной груз зависит от качества сборки. Тележка должна быть изготовлена из прочного материала, способного выдержать тяжесть груза и любые погодные условия.
Кроме этого, желательно, чтобы она имела откидные борта для удобства погрузки и разгрузки. Габариты должны быть вместительными и соответствовать мощности мотоблока.
На тележках используют колеса: автомобильные, от мотоцикла и т. п. Главное, чтобы тележка для мотоблока выдерживала большие нагрузки.
Предпочтительнее всего широкие колеса, так как это повышает проходимость транспортного средства.
Крылья есть и на автомобилях. Служат защитой от попадания камней и грязи от колес.
Все современные прицепы оснащены сиденьями. Некоторые мастера сооружают под ними ящик для хранения необходимых вещей.
Дышло — это крепление в виде треугольника, соединяющее прицеп с мотоблоком.
Тормоза позволят улучшить процесс транспортировки грузов.
Прицепное оборудование для мотоблоков можно приобрести у производителей сельскохозяйственной техники, а можно изготовить самодельный прицеп к мотоблоку. Рассмотрим оба варианта.
На рынке существуют много готовых моделей для мотокультиваторов.
Они имеют разные размеры, весовую категорию, грузоподъемность и стоимость. Их плюс состоит в том, что их собирают профессиональные механики по заранее разработанным схемам. Вы на это не тратите ни сил, ни времени. Минусы заключаются, во-первых, в поиске добросовестного производителя, отпускающего качественный товар, а во-вторых, добротный продукт стоит недешево.
Мотоблок выполняет роль лошадиной упряжки. Он выступает в роли привода, подсоединенного дышлом к прицепу. Для этой цели подойдут такие марки мотоблоков как: Патриот, Урал, Кайман 320, Форза, Кроссер, Прораб, Викинг, Техас.
Можно изготовить прицеп для мотоблока Нева, сделанного из прочного металла. Грузоподъемность кузова 500 кг. На тележке есть тормозной привод, что облегчает вождение. На просторах интернета можно встретить очень много чертежей прицепов к мотоблоку Нева. У них удачная конструкция с минимальными расходными материалами.
Среди готовых моделей можно встретить устройство с функцией самосвала.
Конструкция в принципе такая же, как и на обычной тележке, но с модификацией, позволяющей совершать разгрузку благодаря откидыванию ящика. Хотя такая модель и стоит дороже, но в хозяйстве она необходима.
Изготовление и сборка тележки часто производится самими хозяевами мотоблоков. Самоделок очень много, но собрать их можно по одному принципу — ходовой части на колесах, бортов и оси, чтобы соединить прицеп с мотоблоком.
Из балки ВАЗ-2109
Прицеп из балки ВАЗ-2109 подойдет для мотоблоков с большой мощностью – 10 л.с. Конструкция будет довольно тяжелой, поэтому нужна большая тяговая мощность. Такие прицепы обладают большой грузоподъемностью.
Сделать прицеп из балки ВАЗ-2109 своими руками просто, достаточно посмотреть обучающие видео, которые доступны бесплатно. Также можно найти чертежи и размеры конструкции, подойдут практически любые, с одной или двумя осями.
Балка будет использоваться в качестве оси, для задней оси подойдет целый мост с колесами от ВАЗ-2109.
Для передней оси будет достаточно одной балки, колеса могут быть любыми. Для габаритных прицепов рекомендуются широкие колеса, обеспечивающие проходимость и устойчивость.
Преимущество прицепа для мотоблока на базе балки от ВАЗ 2109 в том, что не нужно тратить время на изготовление дополнительных узлов, особенно если берется задний мост целиком.
Как изготовить прицеп к мотоблоку своими руками
Рассмотрим, как сделать прицеп к мотоблоку своими руками. Важно уметь читать чертежи и схемы, а также иметь навыки использования некоторых инструментов.
Самодельный прицеп для мотоблока изготавливают по схемам и чертежам, которые сейчас в большом количестве можно найти на сайтах в интернете. Перед тем как приняться за работу, нужно разработать чертеж прицепа для мотоблока.
Кроме этого, необходимо подготовить все мелкие детали для крепления, инструменты и сварочный аппарат.
Размеры прицепа для мотоблока должны быть четко прорисованы на схеме, каждая деталь обозначена и выделена с разных сторон.
Собирать прицеп нужно, исходя из мощности и габаритов мотоблока. Техника с недостаточной силой тяги не потащит тяжелый полуприцеп.
Разобравшись со схемой, необходимо определиться с ведущими частями прицепа. Основой служит каркас и сцепка для прицепа мотоблока. За ними следуют рама, сиденье для водителя и колеса (2 или 4 шт.).
Начинают обычно с главной составляющей телеги — рамы, так как именно на нее ложится вся нагрузка во время транспортировки грузов, поэтому она должна быть предельно прочной. Идеальным вариантом будет готовая ось с колесами, в таком случае вам не придется тратить силы и время на дополнительные настройки. Важно, чтобы материалы были твердыми и не поддавались деформации. Можно использовать трубы или толстый швеллер.
Самый простой способ — это вариант прицепа, собранного из труб 60х30 мм, приваренных между собой в виде рамы.
К ним крепится траверса (стальная перекладина). С разных сторон прикрепляются поперечные трубы, в будущем выполняющие роль стоек. Для обвязок к стойкам привариваются трубы с сечением 25 мм, а в конце — угловые опоры.
Детали тележки предпочтительнее сваривать между собой, крепление на болтах считается не очень надежным и недолговечным. Для усиления тележки снизу прибавляют раскосы и приваривают усилитель.
После завершения опоры переходят к сборке кузова. Для этого подойдут любые материалы: деревянные и металлические, а возможен и комбинированный вариант. Желательно, конечно, основу сделать металлической. Дно для прочности предочтительнее сделать двойным. Чтобы борта крепились лучше, по краям привариваются уголки. Для легкой погрузки и разгрузки борта можно сделать откидными, посадив их на подвижное крепление.
Не нужно выбирать очень тяжелые материалы, так как вес собираемого прицепа будет перегружать двигатель мотоблока. Самый простой кузов способен выдержать вес до 500 кг, а этого достаточно для небольшого хозяйства.
Колеса лучше брать с использованной техники, на них уже есть ступицы. Подготавливаются стержни, на которых будут держаться колеса. Желательно, чтобы колеса располагались непосредственно под бортами. Для крепления колес стержень заранее затачивается под величину подшипника ступицы. Вместо стержня можно использовать устройства из балки ВАЗ.
Прицепное устройство для мотоблока
Прицеп для мотоблока полезен в хозяйстве, поэтому он должен быть прочным. Основная нагрузка ложится на раму, являющеюся основой конструкции. Прицепное устройство также получает колоссальные нагрузки. От того, насколько качественные материалы используются для его создания, а также способа крепления, зависит срок эксплуатации конструкции.
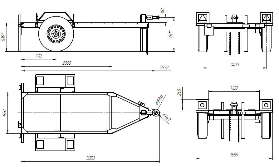
Прицепное устройство тележки для мотоблока можно купить уже в готовом виде, а можно сделать своими руками. Чертежи и размеры легко найти в Интернете, один из примеров на фото:
Сцепной механизм может быть изготовлен разными способами, например, из кардана, крестовины, деталь в форме буквы «П».
Последний вариант многие считают более надежным. Прицепное устройство должно изготавливаться из нержавеющей стали.
Как сделать тормоза для прицепа
Тормоза для прицепа мотоблока. Система торможения облегчает и повышает безопасность перевозки грузов. Существует много вариантов тормозов, но как показала практика, самыми эффективными оказались тормоза от мотоцикла.
Как сделать тормоза на прицеп к мотоблоку? Самодельные тормоза на прицеп делают из троса, тяги и барабана. Барабан должен быть прикреплен на ступицу заднего колеса. Свободные пространства между выступами заполняются крупной проволокой. Дальше кусок трубы сваривается с заранее заточенным диском, который устанавливается на ось. На нее же крепятся тормозные колодки, от которых будет исходить трос к рычагу. Тормоз устанавливается только на 1 колесо и этого вполне достаточно для выполнения данной функции.
Сиденье на мотоблок своими руками можно сделать любое. Оно может быть коротким или продолговатым.
Его изготовляют в виде ящика или сундука, в который в дальнейшем можно складывать инструменты или подручные предметы. Если у тележки борт будет слишком низким, то лучше придумать сиденье со спинкой, чтобы не напрягать позвоночник. Для повышения комфорта его лучше обшить мягким материалом.
Если же в качестве сиденья используется стул или кресло, то для ножек делают 2 глубоких разъема, для погружения внутрь. Таким образом, стул становится съемным.
Для присоединения прицепа к мотоблоку нужен сцеп и консоль. Их можно снять с любого списанного оборудования.
Устройство для прицепа может иметь 1 ось, у которой слабый центр тяжести. Важно правильно установить кузов, чтобы не было перенапряжения в сцепной точке. Поэтому центр тяжести должен попасть под ось колес. С двухосными прицепами намного надежнее. Распределение тяжести груза попадает не на 2, а 4 колеса. Они подходят для перевозки груза до 1400 кг. Можно использовать прицеп легковой машины.
Как присоединить автоприцеп к мотоблоку
Фермеры интересуются, как можно присоединить автомобильный прицеп к мотоблоку. Для этого понадобится адаптер к мотоблоку, который можно соорудить самому. Чтобы соединить прицеп с мотоблоком, нужно снять шаровое соединение (фаркопы), а взамен подсоединить сцепку мотоблока. Присоединяя автоприцеп к мотоблоку, важно учесть 1 нюанс, касающийся автоприцепов: у них нет системы тормозов и сиденья для водителей, ведь они не рассчитаны на мотоблок. Если на прицепе не выезжать на ровную трассу, то без тормозов обойтись в принципе можно, но вот сиденье нужно соорудить обязательно.
Прицеп с рулевым управлением — это отдельное устройство на колесах с сиденьем, в передней части которого находится мотоблок, а позади тележка. Такое соединение прицепа с мотоблоком превращает технику в мини-трактор.
В качестве готовой тележки фермеры используют прицеп из мотороллера Муравей. Кузов мотороллера очень прочный. Он незаменим для транспортировки тяжелых грузов. На нем легко можно перевозить до 10 мешков комбикорма, 500 кг угля или 0,5 м³ дров. Задний борт открывается. При желании высоту бортов можно увеличить до желаемых размеров.
Прицеп для мотоблока из Муравья соединяется предельно просто. Вопрос с тормозами отпадает, так как они на Муравье есть, нужно лишь добавить сиденье и соединение с помощью адаптера.
При самостоятельной сборке предпочтительнее использовать сварочный аппарат. Сваривая детали, вы надолго продлите срок службы техники.
Как Вы считаете, прицеп для мотоблока лучше изготовить самому или более надежным будет приобрести готовый заводской сборки?
Прицеп одноосный ПТ 1-1,2 — характеристики, цена, фото, инструкция
+ —
Цена по запросу
Прицеп одноосный ПТ 1-1,2 (чертеж 1301 КМК)
Как купить?
Как оплатить?
Как забрать?
Как купить?
ООО «Завод КМК-Энерго» осуществляет доставку дизель-генераторов и другого оборудования по всей России и странам Таможенного Союза.
Доставка осуществляется автомобильным или железнодорожным транспортом.
Способы доставки:
1) Самовывоз. После уведомления о готовности оборудования к отгрузке, менеджер предоставляет данные о габаритах, массе и типе загрузки транспорта (крупногабаритные грузы – это всегда верхняя загрузка), а также согласовывает день и удобное время для отгрузки, предоставляет адрес и схему проезда к складу.
3) Доставка до терминала транспортной компании. Согласовывается стоимость оплаты до терминала транспортной компании, далее все расчеты за доставку вы производите уже непосредственно с транспортной компанией. Необходимо по электронной почте сообщить менеджеру адрес доставки.
4) Адресная доставка транспортными компаниями. ООО «Завод КМК-Энерго» регулярно осуществляет доставки своего оборудования ведущими транспортными компаниями, такими как: ПЭК, Деловые Линии, Бизнес Линии. Отправляем грузы любой транспортной компанией по выбору заказчика. Стоимость доставки согласовывается отдельно, а также аренда крана-манипулятора для разгрузки на объекте при необходимости. Оборудование отгружается только после оплаты доставки, если иное не предусмотрено договором. Необходимо по электронной почте предоставить точный адрес или схему проезда, согласовать день и время разгрузки. Внимание! Разгрузка силами покупателя, если иное не обговорено в договоре. Срок доставки зависит от конкретного региона доставки и компании-перевозчика.
Состояние доставки заказа всегда можно узнать, обратившись к своему менеджеру.1) заполнив заявку на сайте
2) отправив письмо на электронную почту [email protected]
3) позвонив по телефону 8(495)212-93-42, 8(800)500-74-99
Как оплатить?
Оплата оборудования производиться безналичным способом – перечислением денежных средств на расчетный счет ООО «Завод КМК-Энергопроф».
По согласованию возможна минимальная предоплата за оборудование и отсрочка платежей.
Счета на оплату, платежные реквизиты, договор поставки и иные документы для оплаты предоставляются сотрудниками отдела продаж ООО «Завод КМК-Энергопроф» после согласования параметров дизельного генератора.
Отгрузка оборудования осуществляется только после подтверждения оплаты.
После поступления оплаты на расчетный счет ООО «Завод КМК-Энергопроф» ответственный менеджер уведомляет покупателя о поступившей в наш адрес оплаты по электронной почте и согласовывает дату и способ отгрузки.
1) заполнив заявку на сайте
2) отправив письмо на электронную почту [email protected]
3) позвонив по телефону 8(495)212-93-42, 8(800)500-74-99
Как забрать?
ООО «Завод КМК-Энерго» осуществляет доставку дизель-генераторов и другого оборудования по всей России и странам Таможенного Союза. Доставка осуществляется автомобильным или железнодорожным транспортом.
Способы доставки:
1) Самовывоз. После уведомления о готовности оборудования к отгрузке, менеджер предоставляет данные о габаритах, массе и типе загрузки транспорта (крупногабаритные грузы – это всегда верхняя загрузка), а также согласовывает день и удобное время для отгрузки, предоставляет адрес и схему проезда к складу.
2) Доставка автотранспортом ООО «Завод КМК-Энего». Собственными машинами производится доставка не крупногабаритных грузов не далее 500 км от склада и весом не более 2 тонны. Стоимость доставки, а также аренда крана-манипулятора для разгрузки на объекте при необходимости, обговаривается отдельно. После уведомления о готовности оборудования к отгрузке необходимо произвести оплату доставки, сообщить менеджеру точный адрес или предоставить схему проезда места разгрузки, а также согласовать день и время разгрузочных работ. Внимание! Разгрузка силами покупателя, если иное не обговорено в договоре.
3) Доставка до терминала транспортной компании. Согласовывается стоимость оплаты до терминала транспортной компании, далее все расчеты за доставку вы производите уже непосредственно с транспортной компанией. Необходимо по электронной почте сообщить менеджеру адрес доставки.
4) Адресная доставка транспортными компаниями. ООО «Завод КМК-Энерго» регулярно осуществляет доставки своего оборудования ведущими транспортными компаниями, такими как: ПЭК, Деловые Линии, Бизнес Линии.
Отправляем грузы любой транспортной компанией по выбору заказчика.
Стоимость доставки согласовывается отдельно, а также аренда крана-манипулятора для разгрузки на объекте при необходимости.
Оборудование отгружается только после оплаты доставки, если иное не предусмотрено договором. Необходимо по электронной почте предоставить точный адрес или схему проезда, согласовать день и время разгрузки.
Внимание! Разгрузка силами покупателя, если иное не обговорено в договоре.
Срок доставки зависит от конкретного региона доставки и компании-перевозчика. Состояние доставки заказа всегда можно узнать, обратившись к своему менеджеру.1) заполнив заявку на сайте
2) отправив письмо на электронную почту [email protected]
3) позвонив по телефону 8(495)212-93-42, 8(800)500-74-99
- Характеристики
- Описание
| Основные характеристики | |
| Габаритные размеры, (ДхШхВ мм) | 3200х1840х960 |
| Модель | ПТ 1-1. 2т |
| Номер чертежа | чертеж 1301 КМК |
| Максимальная масса перевозимого оборудования, кг | 1250 |
| Количество осей | 1 |
| Максимальная скорость передвижения, км/ч | 25 |
| Напряжение бортовой сети, В | 12 |
| Погрузочная высота, мм | 700 |
| Тип подвески | Торсионная |
| Габаритный размер рабочей площадки | 2000х1278 |
генеральных планов | Схемы прицепов DIY и комплекты прицепов TK – планы прицепов
Сертифицированные инженером СХЕМЫ ПРИЦЕПОВ И ПОДХОДЯЩИЕ КОМПЛЕКТЫ ПРИЦЕПОВ
СДЕЛАТЬ ЛУЧШЕ
Магазин ПЛАНЫ МАГАЗИН НАБОРЫ
Сертифицированные планы инженеров.

с комплектами прицепов SPECIALIZED TK , которые соответствуют нашим планам.
ПОЛУЧИТЕ 50% СКИДКУ НА ВАШ
ПЛАН ПРИЦЕПА
ПРИ ПРИОБРЕТЕНИИ ПОДХОДЯЩЕГО КОМПЛЕКТА ПРИЦЕПА TK
ПОСМОТРЕТЬ НАБОРЫ СЕЙЧАС
КОММУНАЛЬНЫЕ ПРИЦЕПЫ АВТОМОБИЛЬНЫЕ ЭВАКУАТОРЫ ПРИЦЕПЫ-САМОСВАЛЫ ПЛАНЫ ДЛЯ БАРБЕКЮ Быстрый просмотр6′ x 10′ 3,5K Универсальный прицеп План — модель 1110
Генеральные планы
49,99 $
Быстрый просмотр
1112Быстрый просмотр
Одноосный грузовой прицеп 2K или 3,5K, размер 5 x 8 футов, схема — модель T1108
Генеральные планы
29,99 $
Быстрый просмотр
6’4″ x 10′ 3,5K Универсальный прицеп План — модель T1110
Генеральные планы
29,99 $
Быстрый просмотр
6’4″ x 10′ 3.
5K Double Gate ATV Utility Trailer Plan — Model 1076ATVTG
Генеральные планы
$39,99
Посмотреть все
9 товаров
Быстрый просмотр
1110 — Комплект универсального прицепа 3,5K, одноосный, 6 x 10 футов
Детали для прицепа Tk
1089 долл. США.99
Быстрый просмотр
1216 — Тандемная ось 6 футов 6 дюймов x 16 футов 7K Utility Lowboy Trailer Kit
Детали для прицепа Tk
2 799,99 $
Быстрый просмотр
1112 — Комплект универсального прицепа 3,5K, одноосный, 6 футов 6 дюймов, 12
Детали для прицепа Tk
1099,99 $
Быстрый просмотр
1218 — 8′ x 18′ 7K Комплект прицепа для перевозки автомобилей
Детали прицепа Tk
3099,99 $
Быстрый просмотр
1218 — 8′ x 18′ 10.4K Комплект прицепа для перевозки автомобилей
Детали прицепа Tk
3 699,99 $
Посмотреть все
26 товаров
Быстрый просмотр
26′ x 102″ Трейлер «гусиная шея» План — модель 26 x T
Генеральные планы
49,99 $
Быстрый просмотр
6’6″ x 16′ 7K Utility Lowboy Trailer Plan — Model 1216
Генеральные планы
$64,99
Быстрый просмотр
Тандемная ось 16 x 82 дюйма Универсальный прицеп Lowboy 14K Мастер-план «сделай сам» — модель 1682BLB
Мастер-планы
39,99 $
Посмотреть все
5 товаров
Быстрый просмотр
1216 — Тандемная ось 6 футов 6 дюймов x 16 футов 7K Utility Lowboy Trailer Kit
Детали для прицепа Tk
2 799,99 $
Быстрый просмотр
1214 — Комплект универсального низкорамного прицепа 7K 6 x 14 футов
Детали прицепа Tk
2799,99 $
Быстрый просмотр
2220 — 6 футов 6 дюймов x 20 футов 12K Gooseneck Lowboy Trailer Kit
Детали для прицепа Tk
5 199,99 $
Быстрый просмотр
26 x T — 102″ x 26″ 14K Комплект для прицепа «гусиная шея»
Детали для прицепа Tk
4 799,99 $
Посмотреть все
5 товаров
Крошечный дом
ПЛАН ПРИЦЕПА
Начните свой новый дом с плана прицепа для крошечного дома своими руками.
Купить сейчас
Быстрый просмотр
Чертежи 20-футового трейлера Tiny House — модель 20THF
Генеральные планы
39,99 $
Быстрый просмотр
16-футовые чертежи прицепа Tiny House — модель 16THF
Генеральные планы
29,99 $
Посмотреть все
2 товаров
Зарегистрируйтесь и сохраните
Подпишитесь, чтобы получать специальные предложения, бесплатные подарки и уникальные предложения.
{% конец%}
- {% для продукта в продуктах %}
{% присвоить first_available_variant = false %}
{% для варианта в product.variants %}
{% if first_available_variant == false and variant.available %}{% assign first_available_variant = variant %}{% endif %}
{% конец для %}
{% if first_available_variant == false %}{% assign first_available_variant = product.
- {%, если box.template.elements содержит ‘saleLabel’ и first_available_variant.compare_at_price > first_available_variant.price %}
{{перевод.продажа}}
{% конец%}
{% если только продукт.доступен %}
{{translation.sold_out}}
{% бесконечный %}
{{продукт.название}}
{% присвоить варианты_размера = продукт.варианты | размер %}
{% для варианта в product.variants %} {{variant.title}}{%, если только вариант.доступен %} — {{translation.sold_out}}{% endunless %} {% конец для %}
{%, если box.
template.elements содержит ‘цену’ %}
first_available_variant.price %} ga-product_have_oldprice {% endif %}»>{{first_available_variant.price | деньги}}
{% if first_available_variant.compare_at_price > first_available_variant.price %} {{первый_доступный_вариант.compare_at_price | деньги}}{% конец%} {% конец%} {%, если box.template.elements содержит ‘addToCartBtn’ %} {% конец%} {% конец для %}
variants[0] %}{% endif %}
{% если product.images[0] %}
{% assign feature_image = product.images[0] | img_url: ‘350x’ %}
{% еще %}
{% присвоить Featured_image = no_image_url | img_url: ‘350x’ %}
{% конец%}{% if box.title и box.title.text и box.title.text != » %}
{{box.title.text}}
{% endif %} {% if box.subtitle и box.subtitle.text и box.subtitle.text != » %}
{{box.subtitle.text}}
{% endif %} {% присвоить total_price = 0 %}
{% для продукта в продуктах %}
{% присвоить first_available_variant = false %}
{% для варианта в product.
variants %}
{% if first_available_variant == false and variant.available %}{% assign first_available_variant = variant %}{% endif %}
{% конец для %}
{% if first_available_variant == false %}{% assign first_available_variant = product.variants[0] %}{% endif %}
{%, если first_available_variant.available и box.template.selected %}
{% присвоить total_price = total_price | плюс: first_available_variant.price %}
{% конец%}
{% если product.images[0] %}
{% assign feature_image = product.images[0] | img_url: ‘350x’ %}
{% еще %}
{% присвоить Featured_image = no_image_url | img_url: ‘350x’ %}
{% конец%}
{% если только продукт.доступен %} {{translation.sold_out}} {% бесконечный %}
{% конец для %}
{%, если box.
template.elements содержит ‘цену’ %}
{{translation.total_price}} {{total_price | деньги}}
{% конец%} {%, если box.template.elements содержит ‘addToCartBtn’ %} {% конец%}
- {% для продукта в продуктах %}
{% присвоить first_available_variant = false %}
{% для варианта в product.variants %}
{% if first_available_variant == false and variant.available %}{% assign first_available_variant = variant %}{% endif %}
{% конец для %}
{% if first_available_variant == false %}{% assign first_available_variant = product.variants[0] %}{% endif %}
{% если product.images[0] %}
{% assign feature_image = product.images[0] | img_url: ‘350x’ %}
{% еще %}
{% присвоить Featured_image = no_image_url | img_url: ‘350x’ %}
{% конец%}
- {% if product.id == cur_product_id %} {{translation.
this_item}} {% endif %}{{product.title}}{%, если только product.available %} — {{translation.sold_out}}{% бесконечный %}
{% присвоить варианты_размера = продукт.варианты | размер %}{% для варианта в product.variants %} {{variant.title}}{%, если только вариант.доступен %} — {{translation.sold_out}}{% endunless %} {% конец для %}
{%, если box.template.elements содержит ‘цену’ %} first_available_variant.price %} ga-product_have_oldprice {% endif %}»>{{first_available_variant.price | деньги}} {% if first_available_variant.compare_at_price > first_available_variant.price %}{{первый_доступный_вариант.compare_at_price | деньги}}{% конец%} {% конец%} {% конец для %}
{% if box.title и box.title.text и box.title.text != » %}
{{box.title.text}}
{% endif %}
{% if box.
subtitle и box.subtitle.text и box.subtitle.text != » %}
{{box.subtitle.text}}
{% endif %} {% присвоить total_price = 0 %}
- {% для продукта в продуктах %}
{% присвоить first_available_variant = false %}
{% для варианта в product.variants %}
{% if first_available_variant == false and variant.available %}{% assign first_available_variant = variant %}{% endif %}
{% конец для %}
{% if first_available_variant == false %}{% assign first_available_variant = product.variants[0] %}{% endif %}
{%, если first_available_variant.available и box.template.selected %}
{% присвоить total_price = total_price | плюс: first_available_variant.price %}
{% конец%}
{% если product.images[0] %}
{% assign feature_image = product.images[0] | img_url: ‘100x’ %}
{% еще %}
{% присвоить Featured_image = no_image_url | img_url: ‘100x’ %}
{% конец%}
- id}}»>
{% если только продукт.доступен %} {{translation.sold_out}} {% бесконечный %}
{% if product.id == cur_product_id %} {{translation.this_item}} {% endif %}{{product.title}}{%, если product.available %} — {{translation.sold_out}} {% бесконечный%}
{% присвоить варианты_размера = продукт.варианты | размер %}{% для варианта в product.variants %} {{variant.title}}{%, если только вариант.доступен %} — {{translation.sold_out}}{% endunless %} {% конец для %}
{%, если box.template.elements содержит ‘цену’ %} first_available_variant.price %} ga-product_have_oldprice {% endif %}»>{{first_available_variant.price | деньги}} {% if first_available_variant.compare_at_price > first_available_variant.price %}{{первый_доступный_вариант.{% конец%} {% конец%}
compare_at_price | деньги}} {% конец для %}
{%, если box.template.elements содержит ‘цену’ %}
{{translation.total_price}} {{total_price | деньги}}
{% конец%} {%, если box.template.elements содержит ‘addToCartBtn’ %} {% конец%}
Чертежи прицепов «Сделай сам» из генеральных планов
Чертежи прицепов, утвержденные инженером, просты в сборке.
Доступно несколько типов.
36 товаров
Сортировать Сортировка по избраннымПо алфавиту, от A до ZПо алфавиту, от Z до AЦена, от низкой к высокойЦена, от высокой к низкойДата, от новой к старойДата, от старой к новой
Быстрый просмотр
24′ 10,4K или 14K Автовывоз с гравитационным наклоном Чертежи «сделай сам» — модель 24GT
Генеральные планы
49,99 $
Быстрый просмотр
26′ x 102″ Трейлер «гусиная шея» План — модель 26 x T
Генеральные планы
49,99 $
Быстрый просмотр
102″ x 32′ Двойной тандемный бортовой трейлер 24K Deccoverer Схема — модель 5232
Генеральные планы
49,99 $
Быстрый просмотр
1218Быстрый просмотр
6 футов 4 дюйма x 14 футов План прицепа-самосвала 14K — модель 14HD
Генеральные планы
49,99 $
Быстрый просмотр
Чертежи гидравлического прицепа для перевозки автомобилей размером 19 футов x 82 дюйма — модель 18HT
Генеральные планы
49,99 $
Быстрый просмотр
Схема крытого грузового прицепа 16 x 8 футов — модель 16CC
Генеральные планы
49,99 $
Быстрый просмотр
102″ x 16′ 7K или 10,4K HD планшетный дековер План — модель 5216
Генеральные планы
39,99 $
Быстрый просмотр
Схема прицепа-самосвала 7K с тандемной осью 5 x 10 футов — модель 10HD
Генеральные планы
79,99 $
Быстрый просмотр
План грузового прицепа 6 x 10 футов 3,5K — модель 1110
Генеральные планы
$49,99
Быстрый просмотр
1112Быстрый просмотр
Одноосный грузовой прицеп 2K или 3,5K, размер 5 x 8 футов, схема — модель T1108
Генеральные планы
29,99 $
Быстрый просмотр
6’6″ x 16′ 7K Utility Lowboy Trailer Plan — Model 1216
Генеральные планы
$64,99
Быстрый просмотр
102″ x 25′ Тандемная ось 20K Gooseneck Flatdeck Trailer Plan — Модель 5225
Генеральные планы
49,99 $
Быстрый просмотр
6 футов 4 дюйма 14 футов 14K Схема прицепа-самосвала с гусиной шеей — модель 14HDGN
Генеральные планы
49,99 $
Быстрый просмотр
6’4″ x 10′ 3,5K Универсальный прицеп План — модель T1110
Генеральные планы
29,9 $9
Быстрый просмотр
Тандемная ось 16 x 82 дюйма Универсальный прицеп Lowboy 14K Мастер-план «сделай сам» — модель 1682BLB
Мастер-планы
39,99 $
Быстрый просмотр
Чертежи 20-футового трейлера Tiny House — модель 20THF
Генеральные планы
39,99 $
Быстрый просмотр
8′ x 5′ 3,5K или 5,2K Чертежи прицепа с самосвальной платформой — модель AD08
Генеральные планы
39,99 $
Быстрый просмотр
1214Быстрый просмотр
6’4″ x 12′ 12K Самосвальный прицеп DIY Мастер-план — модель 12HD
Мастер-планы
49,99 $
Быстрый просмотр
6’4″ x 10′ 3.



2т