Какое сопротивление должно быть у датчика положения распределительного вала?
Наиболее часто автомобилисты упоминают следующие признаки неисправности датчика распредвала:
- Блокировка трансмисии на одной скорости.
- Существенное снижение мощности двигателя.
- Двигатель может внезапно заглохнуть.
- Если сбои ДПРВ начинаются на ходу, автомобиль может дергаться, при этом мощность двигателя заметно падает.
Содержание
Какое сопротивление должно быть у датчика положения распределительного вала?
Сопротивление исправного датчика должно быть в пределах 550-750 Ом (данные для автомобиля ВАЗ-2109). Проверка должна производиться при температуре 22±2оС, при этом нужно рассматривать погрешность измерительного прибора.
Как проверить цепь датчика распредвала?
Включите зажигание и проведите проверку датчика распредвала мультиметром. Массу тестера подключите к массе двигателя. Замер должен соответствовать показателям напряжения на клеммах аккумуляторной батареи.
Если показания не совпадают, значит цепь питания датчика вышла из строя.
Как найти датчик распредвала?
На большинстве машин ДПРВ находится в районе головки блока цилиндров. Чтобы найти его, необходимо ориентироваться на положение распределительного вала. Он может находиться с левой или правой части двигателя. Место расположения датчика распредвала варьируется в зависимости от марки и модели.
Как ведёт себя машина при неисправном датчике распредвала?
— При выходе из строя датчика вы заметите плохую работу двигателя: потеря динамичности, осечки при включении зажигания, толчки при разгоне, хлопки в системе выхлопа и т. п.
Можно ли ездить без датчика распредвала?
Re: Можно ли ехать без датчика положения распредвала (датчика фаз)? Да, можно ехать без него, тем более расстояние небольшое.
Что будет если ездить с неисправным датчиком коленвала?
Неисправности датчика коленвала обычно приводят к падению мощности двигателя, перерасходу топлива, снижению динамических характеристик автомобиля, появление детонации.
При полном выходе ДПКВ из строя двигатель вовсе не будет работать, так как этот элемент синхронизирует работу систем зажигания и впрыска.
Почему сгорает датчик положения коленвала?
Причинами выхода из строя ДПКВ являются чаще всего перегрев двигателя, поскольку датчик содержит катушку с большим количеством мотков, не менее двух тысяч очень тонкой проволоки. Расширение, вызываемое перегревом неизбежно приводит к разрыву.
Где находится датчик положения коленчатого вала?
Фиксируется ДПКВ на блоке цилиндров или картере коробки передач. Также он может быть установлен на кронштейне возле приводного шкива. Датчик располагается напротив зубьев задающего диска. Иногда его могут называть синхронизирующий или реперный.
Для чего нужен датчик распределительного вала?
Для чего нужен датчик распредвала
В числе таких сенсоров — датчик положения распредвала (ДПРВ). Его сигнал позволяет синхронизировать работу системы впрыскивания горючей смеси в цилиндры двигателя.
Для чего нужен датчик распредвала?
Датчик фазы (ДФ) или датчик положения распределительного вала (ДПРВ) — датчик системы управления инжекторными бензиновыми и дизельными двигателями, отслеживающий положение газораспределительного механизма.
В чем разница между датчиком коленвала и распредвала?
Конструктивно датчик положения распредвала тоже не сильно отличается от датчика коленвала. Основная его деталь – это катушка, на которую после включения зажигания приходит постоянное напряжение от бортовой сети – 12 вольт (на самом деле чуть больше, но для простоты – 12). Третий провод датчика – сигнальный.
Как влияет на работу двигателя датчик положения распредвала?
При выходе из строя датчика Вы заметите плохую работу двигателя, у него будут потеря динамичности, начнутся осечки при включении зажигания, толчки при разгоне, хлопки в системе выхлопа и т. п. неровности в работе.
Какую функцию выполняет датчик?
Датчики являются элементом технических систем, предназначенных для измерения, сигнализации, регулирования, управления устройствами или процессами.
Датчики преобразуют контролируемую величину (давление, температура, расход, концентрация, частота, скорость, перемещение, напряжение, электрический ток и т.
Какую функцию выполняет датчик температуры охлаждающей жидкости?
Зачем нужен датчик температуры охлаждающей жидкости
Именно этот датчик отвечает за работу системы принудительного охлаждения двигателя, а также за показания температуры на приборной панели (если эта опция предусмотрена производителем).
Для чего нужен мар сенсор?
Датчик давления, МАП-датчик, MAP сенсор – электронное устройство в системах ГБО 4 поколения. Применяют его для измерения вакуума во впускном коллекторе двигателя, а также передаче этой информации газовому блоку управления в виде частотного сигнала.
Как работает мап сенсор для гбо?
МАП датчик контролирует абсолютное давление (уровень разрежения воздуха во впускном коллекторе) и может быть аналоговым или цифровым. Данные, которые передает MAP Sensor, предаются в ЭБУ, после чего на их основании корректируется ГВС (газовоздушная смесь).
Как умирает датчик положения коленвала?
Чрезмерное нагревание двигателя может привести к повреждению датчика из-за расплавления пластикового покрытия. 2. Проблемы проводки. Неправильное напряжение или ослабленная, изношенная или поврежденная проводка может нарушить передачу сигналов на ДПКВ и от него, что приведет к возникновению проблем.
Какой ресурс у датчика коленвала?
Измеритель оборотов коленчатого вала считается довольно надежным устройством, исправно функционирующим от 100 тыс. км и более. Нередки случаи, когда элемент отрабатывает весь срок службы автомобиля.
Как проверить датчик частоты вращения коленчатого вала?
Способы проверки датчика коленвала
Для начала, нужен только мультиметр, которым надо замерить сопротивление катушки датчика. Оно должно лежать в пределах 500-750 Ом. Если сопротивление больше или меньше, то датчик скорее всего замкнут накоротко, либо в обрыве, его нужно заменить.
Как понять что сломался датчик коленвала?
СИМПТОМЫ НЕИСПРАВНОСТИ ДАТЧИКА КОЛЕНВАЛА
- снижение мощности двигателя – в особенности, под нагрузкой;
- нестабильные обороты во всех режимах;
- увеличение расхода топлива;
- провалы при нажатии педали акселератора;
- детонация на высоких оборотах;
- вибрация двигателя, нередко сопровождающаяся лязгающими звуками;
Что будет если не работает датчик детонации?
Неисправность датчика детонации приводит к тому, что блок управления двигателем (ЭБУ) перестает обнаруживать процесс детонации при сгорании топливной смеси в цилиндрах.
Такая проблема возникает в результате слишком слабого или наоборот чересчур сильного исходящего сигнала.
Как определить неисправность дроссельной заслонки?
Неисправности дроссельной заслонки внешне можно определить по таким признакам работы двигателя – проблемы с запуском, снижение мощности, ухудшение динамических характеристик, неустойчивый холостой ход, увеличение расхода топлива.
Что такое распредвал и коленвал?
Распределительный вал или распредвал — вал двигателя внутреннего сгорания, управляющий открытием и закрытием клапанов двигателя. Основная деталь газораспределительного механизма (ГРМ), служащего для синхронизации тактов работы двигателя и впуска-выпуска топливной смеси/воздуха и отработанных газов.
Где находится датчик распредвала коленвала?
Ну а где находится датчик распредвала? На головке блока цилиндров или реже – на клапанной крышке, непосредственно у «своего» распредвала. Реже датчик положения распредвала дает серию импульсов, определяющую начало нужного такта в конкретном цилиндре.
Как ведет себя машина при неисправном датчике распредвала?
— При выходе из строя датчика вы заметите плохую работу двигателя: потеря динамичности, осечки при включении зажигания, толчки при разгоне, хлопки в системе выхлопа и т. п.
Как проявляется неисправность датчика фаз?
При неисправности датчика загорается красная лампочка(Check engine)) и выскакивает ошибка P0340 – «Ошибка датчика фазы» или «неисправен датчик положения распредвала». Датчик фаз и датчик положения распредвала – это один и тот же датчик. Чаще всего ремонт обходится просто: нужно заменить датчик на новый.
Как проверить датчик распредвала работает или нет?
Проверка датчика распредвала мультиметром
- Взять мультиметр и переключить его в режим измерения постоянного напряжения в диапазоне до 20 В (зависит от конкретной модели мультиметра).
Отсоединить «фишку» от датчика, отщелкнув фиксатор.- Демонтировать датчик из его посадочного места.
Как датчик распредвала влияет на запуск двигателя?
При выходе из строя датчика Вы заметите плохую работу двигателя, у него будут потеря динамичности, начнутся осечки при включении зажигания, толчки при разгоне, хлопки в системе выхлопа и т.
п.
Для чего нужен датчик положения коленчатого вала?
Некоторые датчики критически важны для работы силового агрегата, в их число входит и датчик положения коленвала. ДПКВ измеряет один параметр — положение коленчатого вала в каждый момент времени. На основе полученных данных определяются частота вращения вала и его угловая скорость.
Как влияет датчик положения коленвала на работу двигателя?
Датчик коленвала контролирует положение и частоту вращения коленчатого вала, а также другие параметры, которые играют важную роль при запуске двигателя. Если датчик неисправен, возможно, у автомобиля периодически возникают проблемы с запуском или вообще не запустится, что более вероятно.
Какие признаки если не работает датчик коленвала?
– «плавающими» оборотами двигателя; – детонацией, срабатывающей в двигателе при активном движении; – отсутствием в датчике признаков жизни, когда завести автомобиль невозможно. Наличие таких проблем говорит о необходимости проверки датчика положения коленвала.
Как проверить идет ли питание на датчик коленвала?
Проверка мультиметром
Рассмотрим, как проверить питание на датчик коленвала, применяя мультиметр. У датчика есть электрические выводы, к которым подключаются провода питания. Прибор нужно переключить в режим для измерения напряжения. Измерения необходимо делать при запущенном на холостых оборотах двигателе.
Что блокирует датчик коленвала?
Датчик положения коленвала (ДПКВ) — один из главных датчиков системы управления двигателя. Он сообщает блоку управления двигателем информацию о положении поршневой системы и определяет синхронность работы систем впрыска и зажигания.
Как влияет датчик коленвала на искру?
Когда коленвал приходит в движение между установленным датчиком и зубьями шкива коленвала генерируется импульс тока, электронный блок управления двигателем (ЭБУ) считывает импульс и дает сигнал на открытие форсунок и на модуль зажигания (катушки), который в свою очередь дает искру на свечи.
Куда подключать датчик коленвала?
Устройство и где находится датчик положения коленвала
От него идет стандартный электрический разъем, который подключается к электросети автомобиля. Фиксируется ДПКВ на блоке цилиндров или картере коробки передач. Также он может быть установлен на кронштейне возле приводного шкива.
Какую роль играет датчик распредвала?
В числе таких сенсоров — датчик положения распредвала (ДПРВ). Его сигнал позволяет синхронизировать работу системы впрыскивания горючей смеси в цилиндры двигателя. В подавляющем большинстве инжекторных двигателей применяется распределенное последовательное (фазированное) впрыскивание смеси.
Для чего служит датчик распредвала?
Датчик распределительного вала отвечает за положение ГРМ, то есть – за угловое положение вала по отношению к двигателю. Вкратце происходит следующее: СУД (то есть – система управления двигателем) получает команду от датчика и производит впрыск топлива и зажигание. Основа работы датчика распредвала – принцип Холла*.
Какие признаки выхода из строя датчика детонации?
НЕИСПРАВНОСТЬ ДАТЧИКА ДЕТОНАЦИИ: ПРИЗНАКИ
- Загорание контрольной лампы двигателя,
- сохранение кода ошибки,
- низкая мощность двигателя,
- повышенный расход топлива.
Как проверить датчик детонации не снимая его?
Как проверить датчик детонации
Мультиметр, включенный в режим омметра должен показывать определенное для вашего авто сопротивление. Таким же образом, но отключив разъем эбу, можно прозвонить и всю проводку датчика, не снимая последнего.
Как проверить датчик детонации работает или нет?
Эффективнее всего выполнить проверку датчика детонации двигателя мультиметром (другое название — электрический тестер, он может быть как электронный, так и механический стрелочный). Данную проверку можно выполнить сняв датчик с посадочного места или проверив прямо на месте, однако с демонтажем работать будет удобней.
Чем управляет датчик коленвала?
Датчик положения коленчатого вала является одним из элементов всей сети датчиков, окружающих двигатель.
Его задачей является сбор информации о текущем, кратковременном положении коленвала и скорости его вращения.
Как понять что датчик Холла не работает?
Признаки неисправности датчика Холла
- плохо заводится или вообще не запускается двигатель;
- возникновение перебоев в работе мотора на холостом ходу;
- “дергание” машины при движении на высоких оборотах;
- двигатель глохнет во время движения автомобиля.
Как умирает датчик распредвала?
Как и любой элемент автомобиля, датчик распредвала в определенный момент перестаёт работать. Например, это происходит в результате износа внутренней части или провода. В зависимости от типа используемого датчика различаются и проблемы в работе двигателя.
Как проверить коленвал мультиметром? — Kvazar-wp
Большая часть систем современного автомобиля контролируется чувствительными устройствами, информирующими водителя об их состоянии, а также возникновении опасных ситуаций.
Contents
- 1 Датчики положения коленчатого вала – виды, назначение
- 2 Как проверить ДПКВ мультиметром
- 2.1 Как интерпретировать результаты проверки:
- 2.2 Вопрос — ответ
Датчики положения коленчатого вала – виды, назначение
Существует три вида датчиков:
- индукционный;
- полупроводниковый;
- оптический — считаются самыми надежными.
Независимо от того какого вида датчик, назначение у него следующее:
- определение угла поворота коленвала;
- определение ускорения подкрутки в момент воспламенения рабочей смеси;
- установка среднего значения частоты оборотов двигателя;
- установка синхронизации сигналов с датчика распределительного вала.

Все эти задачи крайне важны для нормальной работы автомобильного двигателя. Признаками неисправности датчика являются:
- снижение мощности мотора;
- нестабильны обороты двигателя;
- отсутствие искры на свечах зажигания;
- проблемы с пуском;
- во время активной езды в двигателе срабатывает детонация;
- машина не заводится, когда датчик полностью выходит из строя.
Но те же симптомы могут проявляться и при других проблемах. Поэтому, следуя методом исключения, нужно провести проверку датчика коленвала мультиметром. И, если он в порядке, искать причину неисправности в других системах.
Как проверить ДПКВ мультиметром
Перед тем как заняться проверкой, нужно визуально оценить состояние датчика и его положения на месте. Затем устройство снимается. Обычно это несложно. Например, в автомобиле ВАЗ датчик закреплен в специальном кронштейне всего одним болтом, а сам кронштейн является частью боковой крышки двигателя машины.
Сняв датчик, нужно тщательно осмотреть его, выявляя внешние повреждения, которые могли послужить причиной выхода его из строя. Если повреждений не обнаружено, можно приступать к проверке, которая заключается в замере сопротивления обмотки устройства:
- Контакты датчика должны быть чисты. Если это не так, их можно промыть бензином или спиртом.
- Переключатель мультиметра нужно установить в режим измерения сопротивления. Диапазон измерения 2 кОм.
- Щупы прибора нужно установить на контакты датчика.
- На дисплее появится результат измерения.
Как интерпретировать результаты проверки:
Считается, что сопротивление обмотки ДПКВ должно находиться в интервале от 500 до 750 Ом. Лучше всего выяснить номинальную величину сопротивления конкретно для вашего автомобиля. Возможно, она отличается от усредненных цифр.
Если результат измерения ниже заданного интервала, возможно, нарушена изоляция обмотки датчика. Это требует его замены.
Если на экране тестера вообще не отразились показания, значит налицо обрыв цепи и датчик непригоден к дальнейшей эксплуатации.
Надеемся, теперь вы знаете, как проверить коленвал мультиметром.
Вопрос — ответ
Вопрос: Как проверить мультиметром полупроводниковый датчик?
Имя: Тимур
Ответ: Исправность датчиков этого вида определяется по наличию напряжения. На современных авто установленный на место датчик должен генерировать напряжение 5 В. Измерение проводится также на клеммах датчика в режиме измерения напряжения. Если автомобиль старый, то напряжение может достигать 12 В. Если тестер показывает отсутствие напряжения – датчик неисправный.
Вопрос: Перестал работать ДПКВ. После снятия обнаружено большое количество грязи в районе контактов. Была проведена очистка. Стоит ли ставить снова использовать такой датчик?
Имя: Андрей
Ответ: Проверьте его мультиметром и, если сопротивление обмотки датчика вписывается в обозначенные пределы, можно попробовать его использовать.
Возможно, именно грязь послужила причиной обрыва цепи.
Вопрос: Не работает датчик коленвала, хотя проверка мультитестером показала хороший результат. В чем может быть причина?
Имя: Азат
Ответ: Проверьте провода. Возможно, имеется обрыв, хотя внешняя изоляция может быть и целой. Для проверки снимите разъем и аккуратно потяните контактные штыри на себя. Оборванный проводник останется у вас в руках. В качестве временной меры можно зачистить изоляцию, скрутить оголенные жилы и заизолировать.
Вопрос: У меня стоит оптический датчик коленвала. И он плохо работает. Можно ли его как-то проверить?
Имя: Ильдар
Ответ: Оптические датчики считаются очень надежными. Но их недостаток заключается в том, что при загрязнении нормальная работа нарушается, поскольку фотодиод не может зафиксировать изменение сигнала, выдаваемого светодиодом. Попробуйте просто почистить устройство.
Как проверить 3-проводной кулачковый датчик с помощью мультиметра — Руководство для профессионалов
В этой статье рассказывается, как проверить 3-проводной кулачковый датчик с помощью мультиметра. Плохой датчик распредвала может привести к потере мощности двигателя, плохому пробегу, заглоханию и медленному ускорению. Таким образом, датчик распредвала следует проверить мультиметром и другими датчиками.
Датчики распредвала и коленчатого вала сообщают положение и вращение коленчатого вала с ЭБУ, который используется для зажигания. Затем ECU использует информацию для правильного впрыска топлива и зажигания свечей зажигания в нужное время.
Производительность двигателя снижается, если неисправный датчик распредвала регистрирует неточные измерения и отправляет их в ЭБУ.
Неисправная проводка датчика кулачка повлияет на способность датчиков работать с другими датчиками.
В этом посте вы узнаете, как проверить трехпроводной датчик распредвала с помощью мультиметра.
Содержание
Что такое 3-проводной кулачковый датчик?
Распределительный вал совершает вращательное движение и определяет открытие и закрытие клапана. Это облегчает поступление топлива и выпуск топлива из каждого цилиндра. Поэтому очень важно иметь идеальное время движения распределительного вала.
При использовании двигателя с 3-проводным датчиком CMP по-разному уравновешивает датчик. Устройство с половинным эффектом в основном используется с трехпроводным кулачком. Когда через него протекает малый ток, это может привести к срабатыванию контракта при прохождении топлива через катушку.
Небольшой ток, протекающий от клеммы 1 к клемме 2, позволяет большему току течь от клеммы 1 к клемме 2. Малый ток не действует при использовании транзистора на эффекте Холла.
Зажигание сильноточного тракта в основном происходит от магнитного поля. Магнит соединен с вращающейся частью на нижней стороне датчика. Этот магнит создает магнитное поле.
Как проверить трехпроводной кулачковый датчик с помощью мультиметра
Чтобы проверить трехпроводной кулачковый датчик с помощью мультиметра, установите мультиметр в положение «Ом» и подсоедините измерительный кабель к клемме датчика. Если мультиметр показывает бесконечное сопротивление, значит, датчик разомкнут, и его необходимо заменить. На некоторых моделях сопротивление между 200 и 9Отображается 00 Ом.
Датчик исправен, если показания сопротивления находятся в диапазоне от 200 до 1000 Ом. Короткое замыкание происходит, когда показание равно 0 Ом, и прерывание происходит, когда отображается показание в МОм.
Чтобы проверить датчик коленчатого вала, вы должны настроить мультиметр на постоянное напряжение и использовать его для сбора сигналов, эталонов и заземляющих проводов.
Когда отображаемые показания не сбалансированы с ручными показаниями автомобиля, ваш датчик трещин должен быть лучше.
3-проводной датчик содержит 3 провода. Внутри есть два силовых провода, а еще один — подводящий провод. Силовые провода подключаются к блоку питания, а остальные провода подключаются к той же нагрузке.
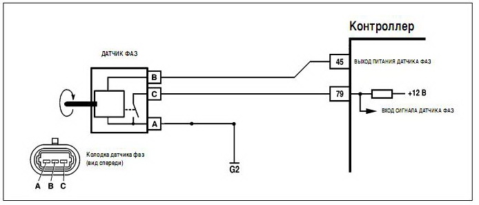
Для проверки 3-проводного датчика распредвала:
- Найдите разъем датчика распредвала и определите провода.
- Установите мультиметр на DC напряжение и измерьте напряжение питание , сигнал и заземление провода в разъёме.
- Теперь установите мультиметр на Ом и измерьте сопротивление на клеммах разъема.
- Кроме того, проверьте провод заземления датчика и сравните все показания мультиметра с идеальным диапазоном, указанным в руководстве.
Пошаговое руководство по проверке 3-проводного датчика распредвала:
Шаг 1.
Найдите датчик и соединительные проводаДатчик положения распределительного вала обычно располагается на головке блока цилиндров двигателя. Однако расположение датчика может варьироваться от модели к марке.
Как следует из названия, 3-проводной разъем датчика распредвала имеет 3 провода: заземление, питание (питание) и сигнальный провод. Мы должны проверить напряжение и сопротивление проводов датчика распредвала, чтобы оценить его исправность.
Мы можем идентифицировать сигнальные и находящиеся под напряжением провода разъема, проверяя напряжение от земли к каждому проводу, например, от земли к питанию и от земли к сигнальным проводам.
Установите мультиметр на постоянное напряжение, чтобы определить провода в разъеме датчика распредвала (поскольку батарея обеспечивает постоянный ток).
Подсоедините черный щуп мультиметра к проводу заземления в центре разъема, а красные щупы — к остальным проводам.
Провод, который показывает около 12 вольт, является проводом питания, а тот, который показывает около 5 вольт, является сигнальным проводом.
- Провод питания или провод под напряжением пропускает ток через батарею и должен иметь напряжение, равное напряжению батареи, например 12 вольт .
- Сигнальный провод обменивается информацией с ECU и должен иметь около 4,8-5 вольт.
- Провод заземления замыкает цепь и идет к отрицательной клемме аккумуляторной батареи.
Шаг 2: Проверьте напряжение датчика кулачка
Датчик кулачка должен быть подключен к автомобильному аккумулятору или активному источнику питания для проверки напряжения.
Как упоминалось выше, установите мультиметр на DC Voltage . Подсоедините черный щуп мультиметра к проводу заземления (в центре разъема), а красный щуп — к другим проводам.
Провод под напряжением разъема датчика распредвала должен иметь около 12 вольт (соответствует напряжению аккумулятора), а провод питания должен иметь около 5 В .
После идентификации проводов в разъеме датчика распредвала проверьте, находится ли их напряжение в идеальном диапазоне, например, 12 В (максимум) для провода питания и 5 вольт для сигнального провода. Если напряжение проводов ниже идеального диапазона, то провода разъема датчика банки повреждены.
После проверки напряжения подсоедините черные щупы к клемме заземляющего провода, а красный щуп к сигнальному проводу (с клеммой 5 В ). Возьмите металл и пропустите его через датчик, и вы увидите, что показания мультиметра упадут до 0 В .
При удалении металла с датчика показания напряжения возвращаются к норме. Это указывает на то, что ваш датчик правильно воспринимает движение.
Также проверьте состояние провода заземления разъема датчика распредвала, подсоединив черный щуп к проводу заземления, а красный щуп к положительной клемме аккумуляторной батареи.
Если с заземляющим проводом все в порядке, мультиметр должен показать точное напряжение вашей батареи.
Например , если ваш аккумулятор заряжен до 12.6 вольт , то тонкий провод заземления должен иметь такое же напряжение как и аккумулятор.
Если показание ниже напряжения батареи, это означает, что провод заземления поврежден и имеет место утечка тока.
Шаг 3: Проверьте сопротивление датчика распредвала
Чтобы рассчитать сопротивление датчика распредвала, установите мультиметр на значение в омах ( Ом ) (знак). Выберите диапазон, например 1000 Ом или выше.
Подсоедините щупы мультиметра к клеммам разъема датчика распредвала. Вы можете подключать щупы в любой последовательности, так как сопротивление является ненаправленным .
В идеале показание датчика положения распределительного вала в Ом должно быть ниже 1000 Ом . Проверьте показания сопротивления на мультиметре и сравните их с рекомендуемым диапазоном для вашей модели датчика распредвала.
Обратитесь к руководству производителя, чтобы проверить диапазоны напряжения и сопротивления.
Признаки неисправности датчика коленчатого вала
Признаки неисправности датчика приведены здесь:
Значок двигателя на приборной панели указывает на наличие проблемы с двигателем. Если этот индикатор загорается, проблема связана с компонентом двигателя.
Когда контролируешь, что шестерня застряла в корпусе при попытке передачи одной в другую, то показывает, что проблема в датчике коленвала.
Зажигание топлива повреждается, когда момент впрыска топлива и объем не слишком хороши.
Неисправный коленчатый вал приводит к неправильной работе впрыска топлива.
Заключение
3-проводной датчик положения распределительного вала можно проверить, измерив напряжение и сопротивление с помощью мультиметра. Идеальное напряжение для силового провода 9 В.0038 12 В, и сигнал 5 В. Также проверьте отсутствие повреждений проводов разъема.
Сопротивление на клеммах разъема должно быть ниже 1000 Ом.
Если вы нашли этот пост полезным, поделитесь им с другими и поделитесь своим мнением в разделе комментариев.
Связанные руководства:
- Как проверить датчик Холла с помощью мультиметра
- Как проверить датчик детонации с помощью мультиметра
- Как проверить датчик положения дроссельной заслонки с помощью мультиметра
Датчик коленчатого вала — чек и дефектный
Датчик коленчатого вала Дефектный: симптомы
Столковый датчик коленчатого вала может вызвать следующие симптомы 9003
- .
ПРИЧИНЫ НЕИСПРАВНОСТИ ДАТЧИКОВ КОЛЕНВАЛА: ПРИЧИНА НЕИСПРАВНОСТИ
Причинами неисправности могут быть:
- Внутренние короткие замыкания
- Перерывы при проводке
- Проводка короткая замыкания
- Механическое повреждение колеса кодера
- загрязнение, вызванное истиранием металла
Проверка.

- Считать память неисправностей
- Проверить электрические соединения проводки датчика, разъем и датчик на правильность соединения, обрывы и коррозию.
- Следите за загрязнениями и повреждениями
Прямая проверка датчика коленчатого вала может быть затруднена, если точный тип конструкции датчика неизвестен. Перед проверками должно быть ясно, является ли датчик индуктивным датчиком или генератором Холла. Не всегда можно различить их по внешнему виду. Если на разъеме три контакта, нельзя сделать точных заявлений о соответствующем типе. Конкретные спецификации производителя и спецификации в каталоге запасных частей помогут вам в этом.
Если тип конструкции окончательно не выяснен, омметр нельзя использовать для испытаний. Напряжение от измерительного устройства, используемого для проверки сопротивления, может вывести из строя генератор Холла!
Насколько полезна эта статья для вас?
Совершенно бесполезно
Очень полезно
Расскажите, пожалуйста, что вам не понравилось.
Для получения бесплатного информационного бюллетеня HELLA TECH WORLD.
Ваш отзыв**
Большое спасибо. Но прежде чем ты уйдешь.
Подпишитесь на нашу бесплатную рассылку новостей HELLA TECH WORLD, чтобы получать последние технические видеоролики, советы по ремонту автомобилей, информацию о курсах обучения, сведения о маркетинговых кампаниях и советы по диагностике.
Благодарим вас за интерес к новостному бюллетеню HELLA TECH WORLD — для автомастерских!
На указанный вами адрес электронной почты будет отправлено уведомление.
Обратите внимание: Ваша подписка будет завершена только после того, как вы подтвердите получение этого электронного письма.
Это делается для того, чтобы никто не мог подписаться на вас по ошибке.
Ваша личная информация хранится и обрабатывается исключительно с целью отправки информационного бюллетеня. Ни при каких обстоятельствах ваши данные не будут переданы третьим лицам.
Дополнительная информация о конфиденциальности.
Благодарим вас за интерес к новостному бюллетеню HELLA TECH WORLD — для автомастерских!
На указанный вами адрес электронной почты будет отправлено уведомление.
Обратите внимание: Ваша подписка будет завершена только после того, как вы подтвердите получение этого электронного письма.
Это делается для того, чтобы никто не мог подписаться на вас по ошибке.
Ваша личная информация хранится и обрабатывается исключительно с целью отправки информационного бюллетеня. Ни при каких обстоятельствах ваши данные не будут переданы третьим лицам.
Дополнительная информация о конфиденциальности.
Вы уже подписаны
Ваш адрес электронной почты ожидает подтверждения
Неверный новый адрес электронной почты.
Неверный адрес электронной почты. Адрес электронной почты отсутствует или имеет неправильный формат.
Проблема со статусом электронной почты
Процесс регистрации не запущен.
Ошибка:
Для получения бесплатного информационного бюллетеня HELLA TECH WORLD.
Благодарим вас за интерес к новостному бюллетеню HELLA TECH WORLD — для автомастерских!
На указанный вами адрес электронной почты будет отправлено уведомление.
Обратите внимание: Ваша подписка будет завершена только после того, как вы подтвердите получение этого электронного письма.
Это делается для того, чтобы никто не мог подписаться на вас по ошибке.
Ваша личная информация хранится и обрабатывается исключительно с целью отправки информационного бюллетеня. Ни при каких обстоятельствах ваши данные не будут переданы третьим лицам.
Дополнительная информация о конфиденциальности.


