Регулировка клапанов — Статьи | Uremont
В головке блока цилиндров двигателя находится механизм газораспределения, отвечающий за попадание топливной смеси в камеры сгорания и отвода из них отработанных газов. Регулировка клапанов позволяет поддерживать этот механизм в работоспособном состоянии, что положительно влияет на работу мотора и срок его службы. Регулировка необходима для двигателей всех типов, не оснащённых гидрокомпенсаторами.
Зачем нужны клапаныЗадача газораспределительного механизма — «загнать» в камеру сгорания как можно больше топливной смеси и максимально эффективно удалить из неё отработанные газы в выхлопную систему. Именно эту задачу и выполняют клапаны, обеспечивающие работу двигателя на тактах впуска и выпуска.
В ГБЦ установлены клапаны двух видов:
впускные. Отвечают за попадание в цилиндры газовоздушной смеси; выпускные, отвечающие за своевременное удаление продуктов горения топлива.Клапанным механизмом оснащается каждый цилиндр двигателя, и, в зависимости от используемой конфигурации, их количество составляет от 2 до 5.
Поскольку в исправном двигателе во время работы создаётся давление свыше 10 атмосфер, проблема с отведением отработанных газов практически отсутствует — при таком давлении достаточно даже небольшого отверстия для их выхода. Именно по этой причине диаметр выпускных клапанов существенно меньше, чем впускных. От количества попавшей в цилиндр топливной смеси зависит мощность двигателя, для чего автопроизводителями и была разработана многоклапанная система, позволяющая увеличить пропускную способность механизма ГРМ.
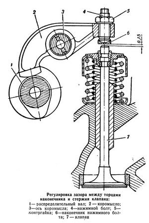
Регулировка клапанов двигателя заключается в установке необходимого зазора между самим клапаном и кулачком распределительного вала. Одно из основных физических свойств металла — при нагревании он расширяется, что приводит к уменьшению зазора между деталями. Этим свойством и объясняется «цоканье» непрогретого двигателя, исчезающее по мере его нагрева. Для каждого ДВС устанавливаются индивидуальные значения теплового зазора, узнать которые можно из руководства по эксплуатации.
Своевременная регулировка зазоров клапанов способствует стабильной работе двигателя:
При небольшом зазоре клапаны окажутся «зажатыми», вследствие чего каналы в головке блока не будут герметично закрыты. Это приводит к снижению компрессии, потере мощности двигателя и прогоранию клапана. В итоге автовладелец вынужден будет оплачивать дорогостоящие работы по ремонту ГБЦ. Увеличенный тепловой зазор станет причиной стука в двигателе. Недостаточно открывающиеся клапаны не в состоянии обеспечить должный уровень газообмена, что также является причиной снижения мощности двигателя.
Среди любителей тюнинга моторов увеличение открытия клапанов является первоочередной задачей — для этого используются специальные распредвалы (спортивные) с удлинёнными кулачками. Но их установка может стать причиной довольно серьёзных проблем: низко опущенный клапан может столкнуться с поршнем в верхней его точке, и это в большинстве случаев становится причиной капитального ремонта двигателя.
Периодичность регулировкиВладельцы отечественных автомобилей вынуждены регулировать клапаны каждые 20–30 тысяч километров пробега. Регулировка ВАЗовских клапанов не отнимет много времени — довольно опытный автомеханик выполнит все работы в течение часа, с учётом времени, отводимого на охлаждение двигателя. Даже новичок, изучив подробное видео о регулировке, в состоянии выполнить работу в течение нескольких часов.
Периодичность регулировки для моторов иномарок составляет порядка 80–100 километров, и часто работы выполняются совместно с заменой ремня ГРМ. Необходимо регулярно проверять тепловые зазоры: это не только способствует стабильной работе мотора, но и поможет значительно продлить срок его службы. Неотрегулированные клапаны становятся причиной повышенной шумности двигателя, снижения его мощности, неустойчивой работы на низких или высоких оборотах, и со временем могут привести к более серьёзным неисправностям. Время, затрачиваемое на регулировку, значительно меньше времени, необходимого для проведения капитального ремонта мотора, и это одна из главных причин, почему стоит периодически регулировать тепловые зазоры клапанов.
Существует 2 способа регулировки зазоров, в зависимости от конструкции клапанного механизма:
При помощи регулировочных болтов. Обычно этот тип используется на старых двигателях с конфигурацией «2 клапана на цилиндр». При помощи металлических шайб — «пятаков».
Этим способом регулируются клапаны практически всех современных моторов с конфигурацией «4 клапана на цилиндр» и выше.Использование «пятаков» в механизме существенно увеличивает продолжительность работы клапанов без необходимости их регулировки. Основная причина замены шайб заключается в выработке, возникающей в месте контакта «пятака» с торцом клапана. Своевременная замена масла и использование высококачественных смазывающих материалов существенно увеличивает продолжительность работы ГБЦ, вне зависимости от её конфигурации.
Важно! Приступая к регулировке, следует приобрести новую прокладку клапанной крышки. Цена её довольно низкая, и можно купить сразу несколько — неопытные автомеханики при установке крышки часто повреждают прокладку.Перед работами рекомендуется посмотреть видео по регулировке клапанов для конкретной модели двигателя. Для регулировки понадобится следующий инструмент:
щуп, позволяющий определить текущее значение зазора; комплекс ключей; отвёртка.Порядок регулировки клапанов ВАЗовского двигателя идентичен практически для всех моделей: 4-2-1-3.
Работы необходимо проводить только на холодном моторе: по мере его нагрева тепловые зазоры уменьшаются, и их регулировка на «горячую» приведёт к заклиниванию клапанов. Для каждого типа двигателя существует свой порядок регулировки клапанов, узнать который можно из инструкции по эксплуатации авто.
Для моторов, оснащённых регулировочными винтами, порядок работы следующий:
Выставить поршень цилиндра в верхней точке. Ослабить фиксирующую гайку. Покрутить регулировочный болт, выставляя требуемый зазор. Закрутить гайку.Контрольный щуп должен проходить в зазор между клапаном и кулачком с незначительным усилием. Для регулировки зазора в моторах, оснащённых регулировочными шайбами, следует узнать текущее его значение, и затем установить шайбу необходимой толщины. Быстро и качественно отрегулировать клапана поможет сервис Uremont.com. Благодаря нам вы найдёте автомастерскую, выполняющую все виды работ оперативно, качественно и по доступной стоимости.
Регулировка клапанов двигателя в Перми
Конструкция двигателя рассчитана на два и более клапанов в ГБЦ двигателя.
Они запускаются клапанным или газораспределительным механизмом. Одна деталь впускает топливную смесь, вторая выпускает отработанные газы. Металл деталей расширяется при нагревании.
Необходимо корректно откорректировать промежутки между элементами для их правильной работы.
Регулировка клапанов двигателя
Корректировка расстояний между деталями агрегата должна выполняться в соответствии с рекомендациями производителя конкретной модели. В среднем промежуток между корректировками составляет 20-35 тысяч километров. Советуем делать настройку перед проверкой компрессии. Неплотное закрывание оказывает прямое влияние на ее показатель. Особенности регулировки зависят от вида агрегата без гидрокомпенсаторов.
Автомобили иностранного производства имеют моторы повышенного ресурса. Выставленные зазоры ДВС сохраняются дольше. Потребность регулировки возникает позднее – через 100 тысяч километров.
Отсутствие своевременной настройки теплового просвета ведет к снижению компрессии, уменьшению мощности ДВС.
Неверная коррекция – причина снижения ресурса деталей, сокращения производительности силового агрегата, роста топливного расхода. Из-за маленького расстояния элементы подгорают, большой промежуток между элементами становится причиной появления характерного металлического стука.
Как выполняется регулировка клапанов двигателя
Корректировка производится на двигателе, имеющем температуру, рекомендованную производителем в брошюре по обслуживанию и ремонту. Мы производим настройку карбюраторных, дизельных, инжекторных, 16-клапанных, прочих силовых агрегатов. Зазор измеряется с помощью комплекта специализированных щупов.
В начале процедуры поршень цилиндра должен находиться в верхней точке такта сжатия, коромысла ГБЦ свободно качаются, цилиндры закрыты. Контргайка регулировочного болта отпускается. Посредством щупа устанавливается необходимый промежуток, затем контргайка снова затягивается. Расстояние необходимо снова проверить.
Теперь щуп должен проходить с небольшим усилием.
Если его невозможно протолкнуть или он проходит легко, нужно заново откорректировать зазор. Именно поэтому советуем доверить обслуживание ГРМ опытным специалистам.
Тем более, что мы привели самый стандартный вариант процедуры регулировки. После проведенных манипуляций производится проверка работы двигателя по всем режимам, уделяется внимание наличию/отсутствию звуков, износу и повреждений деталей.
В нашем автосервисе работают опытные мотористы-эксперты. Они откорректирую тепловые зазоры двигателей внутреннего сгорания любых марок легковых автомашин.
Цены на регулировку клапанов двигателя
|
|
||||
| Наименование | Двигатель | Отечественные | Иномарки | |
| Поиск неисправности двигателя руб/час | от | 1000 | 1250 | |
| Клапан (притирка) за 1 шт | от | 300 | 500 | |
| Клапана (регулировка) зазоров 16 клапанов | 16 клапанов | от | 1800 | 2200 |
| Клапана (регулировка) зазоров 8 клапанов | 8 клапанов | от | 1100 | 1200 |
Распред. вал с регулировкой клапанов (с/у) V-образный |
V-образный | от | — | норматив |
| Распред. вал с регулировкой клапанов (с/у) однорядный | однорядный | от | 1100 | 3500 |
| Распред. Вал с регулировкой клапанов (с/у) оппозитный | оппозитный | от | — | норматив |
*Представленные цены являются ознакомительными, действительны на 10.11.2019 г. и могут быть изменены без предварительного уведомления. Не является публичной офертой.
Пример наших работ: Регулировка клапанов KIA Rio
Регулировка клапанов — Автосервис «Масленка»
Каждый водитель при техническом обслуживании узлов двигателя автомобиля сталкивается с проблемой, когда необходима регулировка клапанов, если ДВС не оборудован гидрокомпенсаторами. Эта распространённая проблема возникает с течением времени и не всегда уровень навыков позволяет выполнить операцию самостоятельно.
Во избежание осложнений, регулировка клапанов лучше выполняется профессионалами. Особенно актуально эта задача встаёт перед владельцами автомобилей имеющих газобаллонное оборудование. Отслеживание величины зазоров важная часть заботы об эффективной работе двигателя внутреннего сгорания. При отклонении от нормы величины зазора в клапанах сгорание топлива может быть неполным, нарушается цикл расширения и сжатия, происходит изнашивание фасок клапана и седла, и, как следствие, снижение КПД двигателя.
Специалисты СТО «Масленка» в Киеве выполняют регулировку тепловых зазоров клапанов до нормативных показателей для любых марок автомобилей. Качество работ гарантируется, так как механики имеют большой опыт подобных работ. При отклонении от указанных величин ощущается повышенный шум в двигателе, повышенный расход топлива, нестабильный запуск из состояния покоя. Мощность снижается на 30%, мотор работает неустойчиво.
Машина имеет резкий старт, слышатся прострелы. При подобных симптомах требуется оперативное вмешательство, необходимо доставить автомобиль в автосервис для проверки и установки вида неисправности.
Выполнение регламента технических осмотров значительно снижает вероятность возникновения дефекта, примерно 20÷100 тыс. км пробега неизбежно вызывают необходимость регулировки. В зависимости от эксплуатации автомобиля, стиля езды, качества топлива, установленного дополнительного оборудования, в том числе газобаллонного, этот период может сокращаться. В таком случае обращение к специалистам СТО «Масленка» желательно ускорить и без промедления произвести весь комплекс технического обслуживания. Внимание к величине теплового зазора сохранит агрегат в рабочем состоянии, поможет избежать глобального ремонта ГБЦ.
Технология регулировки клапановПри обращении в СТО «Масленка» в первую очередь производится диагностика, в результате которой автомеханик выявляет характер дефекта.
Механик может произвести диагностику при помощи щупа, интервал измерения которого составляет шаг 0, 05 мм. После необходимо снова замерить зазор плоским щупом, чтобы убедиться в правильности действий. В зависимости от типов двигателей будет применяться свой тип регулировки. Имеется три основных группы двигателей с характерными способами регулирования:
- за счёт давления масла для двигателей с гидрокомпенсатором;
- винтовая регулировка клапанов;
- с применением толкателя или шайб.
После охлаждения до 30°C производится снятие клапанной крышки и патрубков. В некоторых случаях снимается цепь ГРМ и распредвал.
В этой стадии на холодном двигателе можно начинать ремонтные работы.
Восстановление зазора происходит одним из способов. Возможно, придётся использовать метод подбора шайбы, самого толкателя, или механик сделает эту работу при помощи регулировочного болта методом его вкручивания или выкручивания. После подгонки снова производятся замеры зазора методом плоского щупа.
При неудовлетворительном результате весь ход работ повторяют.
Отрегулировав клапана, необходимо собрать детали и узлы двигателя с одновременной заменой прокладки крышки клапанов.
По окончании работ по регулировке значительно снижается уровень шума. Мотор переходит в нормальный режим работы с номинальной мощностью и заявленным расходом топлива. Повышаются все показатели его работы, повышается экономичность, мощность, надёжность. С отрегулированными клапанами готовность к дальнейшей эксплуатации не менее чем на 10 тыс. км пробега гарантирована.
Интервалы и нормы технического обслуживанияСуществуют нормы пробега, по которым можно ориентироваться. Во-первых, паспортные данные автомобиля содержат рекомендации по частоте, когда проводится регулировка клапанов. Кроме того, существуют усреднённые нормы пробега, после которых двигатель необходимо подрегулировать. Для разных марок автомобилей есть существенные отличия. Так, для устройств с винтовой настройкой, этот период составляет от 10000 км до 40000 км пробега.
Для двигателей с регулировкой зазоров методом толкателей или шайб регламент составляет от 20000 до 100000 км пробега.
Периодичность регулировок для автомобилей с ГБО эти работы производятся чаще примерно в два раза.
Специалисты рекомендуют проверять зазоры клапанов перед плановыми заменами масла. Эта методика удобна тем, что частицы пыли и грязи, образующиеся в процессе подгонки, удалятся вместе с отработанным маслом, новая порция заливается в чистые цилиндры.
Если автомобиль имел пробег до момента его приобретения, то работы по выявлению необходимости регулировки зазоров особенно важны. Стоит с пониманием отнестись к этой насущной проблеме, типовой для большинства марок автомобилей.
Что влечёт за собой несвоевременное регулирование клапановЕсли зазор клапанов изменился в ту или другую сторону в результате тепловых деформаций, в двигателе происходят такие процессы, которые влияют на его бесперебойную работу.
При увеличенном зазоре ухудшается цикл работы агрегата, раскалённые газы проникают в подающий или выпускной патрубок, вызывая повышенную нагрузку на катализатор. Пыль от разрушенного катализатора может попасть в цилиндры и вызвать дальнейшие неисправности. Падение компрессии в цилиндре вызывает затруднённый запуск, уменьшение мощности из-за недостаточной температуры сгорания и другие негативные явления.
Среди всех видов особое место занимают двигатели с гидрокомпенсаторами. (Гидро — жидкость, в данном контексте масло). Вид двигателя с гидрокомпенсатором не нуждается в ручной регулировке, так как поддержка параметров в таких системах происходит автоматически. Таков принцип действия, заложенный производителями. Роль регулировки выполняет масло, поступающее из двигателя.
Технология регулирования тепловых зазоров имеет ряд приёмов, которые невозможно выполнить своими силами. Наличие всего необходимого инструмента и калибров, приспособлений для диагностики ставит обслуживание в СТО «Масленка» на высокий уровень.
Не скидывая со счетов уровень подготовки специалистов, можно сказать, что обслуживание в автосервисе стоит вложенных средств, цены на работы доступны для рядового клиента. Материальная база сервиса позволяет производить замену изношенных деталей на оригинальные запчасти от производителя. Расходные материалы в автосервисе «Маслёнка» только высокого качества дополняют спектр наших услуг. Отличное качество в сжатые сроки по низким ценам соответствуют нашим принципам работы. Постоянные клиенты нашего СТО получают полный комплекс услуг, как при техническом обслуживании, так и при капитальных ремонтах.
Как правильно настроить клапана на двигателях Lada Samara? — Рамблер/авто
Что такое правильная регулировка тепловых зазоров в газораспределительном механизме автомобиля или на что влияет регулировка клапанов. Главное преимущество, идет меньший расход топлива (что не мало важно при постоянно растущей цене на бензин). Двигатель работает тише и мягче и разгоняется быстрее.
Как определить и почему стучат клапана.
Как часто нужно совершать регулировку клапанов ВАЗ 2114, 2115, что говорят производители. Как расположены клапана в автомобилях ВАЗ 2114, 2115. Как выполняется настройка зазоров ВАЗ 2114, 2115. Подготовка инструментов. Регулировка клапанов.
Как определить и почему стучат клапана.
Если не отрегулированы клапана появляются характерные признаки. Двигатель работает с определенным шумом, слышится стук на холодном двигателе ВАЗ 2115 похожий на металлический цокот. Причиной этого является зазор между рычагами и кулачками распредвала.
Этот зазор выставляется производителем, его величина одинаковая для всех двигателей одинакового типа. В данной системе автомобиля происходит увеличение или уменьшение зазора, и то и другое плохо сказывается на работе двигателя и может привести к более серьезным поломкам.
В основном эта поломка происходит из-за использования некачественного топлива. Хорошим топливом считается то, у которого октановое число не меньше 93.
Интересный факт! Существует топливо с октановым числом 100, но его используют только на соревнованиях, заправляя гоночные машины.
Как часто нужно совершать регулировку клапанов ВАЗ 2114, 2115, что говорят производители.
Заводы, изготовители автомобилей, рекомендуют проверять тепловые зазоры через каждые 15-30 тысяч километров пробега. Даже если, по вашему мнению, двигатель работает хорошо, то такая процедура никогда не будет лишней, тем более, что вы можете это сделать сами.
Как расположены клапана в автомобилях ВАЗ 2114, 2115.
Автомобили Ваз 2114 выпускаются с двигателем на восемь или шестнадцать клапанов.
Обратите внимание! Регулировка зазора клапанов ВАЗ 2114 проводиться только для 8-ми клапанного двигателя, так как на 16-ти клапаном установлены гидрокомпенсаторы.
Клапаны в газораспределительном механизме устроены так, что когда через один идет впрыскивание топлива, то через другой – выпускание отработанных газов.
Как выполняется настройка зазоров ВАЗ 2114, 2115.
Для того чтобы регулировка клапанов ВАЗ 2114 инжектор 8 клапанов была эффективной нужно производить ее на холодном двигателе.
Размер зазора на впускном клапане должен быть 0.2 мм, а на выпускном-0.35 мм.
Обратите внимание! Допустимая погрешность в обоих случаях 0.05 мм.
Подготовка инструментов.
Для регулировки клапанов ВАЗ 2115 инжектор 8 клапанов нам понадобится следующие инструменты: набор гаечных ключей, для регулировки клапанов ВАЗ, приспособление для пружин толкателей клапанов, щупы, штангенциркуль или микрометр, регулировочные шайбы.
Регулировка клапанов.
Снимаем крышку головки блока цилиндров.
Снимаем воздушный фильтр и переднюю крышку зубчатого ремня.
Отвинчиваем свечи и аккуратно их складываем. Они снимаются для того чтобы легче прокручивался коленчатый вал.
С верхней части головки убираем лишнее масло.
За часовой стрелкой поворачиваем коленчатый вал, чтобы совпали метки на шкиве и задней крышке зубчатого ремня.
Набором щупов проверяем зазоры между торцом клапана и толкателя. По принципу:
первого выпускного и третьего впускного,
пятого выпускного — второго впускного,
восьмого выпускного – шестого впускного,
четвертого выпускного – седьмого впускного.
Номера клапанов считаются от приводного шкива.
При необходимости регулировки клапана ВАЗ 2114 нужно с помощью приспособления утапливать толкатель и фиксируя его в нижнем положении вынимать регулировочную шайбу с последующей ее заменой.
Важно! Коленчатый вал нельзя крутить в обратную сторону.
клапан-регулятор
© 2018-2021 — ООО «Мейси Гараж».
ЛУЧШИЙ магазин Triumph в Америке
Регулировка клапанов в двигателе Triumph — одна из
те задачи, которых многие из вас стараются избегать. это просто
процедура, которая жизненно важна для здоровья и состояния вашего двигателя
настроить, но также легко ошибиться, если вы не платите
внимание. Следуйте за мной, пока я объясняю, как и почему
регулирующих клапанов, и позвольте вам на пару
методы, чтобы держать все прямо при настройке.«Регулировка клапанов» на самом деле является сокращенным термином для этого
процедура технического обслуживания.
То, что вы на самом деле будете делать, это
регулировка зазора между коромыслом и
верхняя часть клапана. Не вдаваясь в обсуждение
гидрокомпенсаторы или верхние кулачки, скажем так, все
двигатели, в которых используются твердые подъемники (толкатели), такие как наши 4
цилиндровые двигатели Триумф, должны иметь такой зазор
регулярно проверяются и регулируются.Каждый двигатель
производитель будет иметь свои собственные спецификации для
правильную очистку и свою особую процедуру для
регулировка этого зазора (например, на горячем или холодном двигателе). Должен
вы устанавливаете высокопроизводительный распределительный вал в свой двигатель,
правильная регулировка клапана может отличаться от того, что было
указано производителем двигателя, и вам потребуется
следуйте рекомендациям производителя распределительного вала.
параметр. Если зазор клапана больше, чем должен
быть, клапан не откроется настолько, насколько это необходимо для полного
мощности, а результатом будет чрезмерный шум и износ.
Если зазор меньше указанного, клапан может не
закрыть полностью, вызывая сгорание в цилиндре
«сжечь» и испортить сам клапан.
Для наших 4-цилиндровых Triumph клапаны отрегулированы
‘холодно’. Кто хоть раз регулировал клапана
нужно настроить «горячий» будет знать, какое это благословение
является! Зазор на складе составляет 0,010” (десять тысячных долей
дюйм) как для впускных, так и для выпускных клапанов на большинстве
наши Триумфы, но для всех машин и разных распредвалов это
нередко указывается другой зазор
для впуска против выхлопа.Например, ранние TR2
оборудован железными опорами коромысла указанные зазоры
0,010 дюйма для впускных клапанов и 0,012 дюйма для выпускных клапанов.
Чтобы определить, какой клапан какой, см. описание в
способ 2 ниже.
Так почему же так «сложно» отрегулировать клапана вашего двигателя?
Для этого ответа взгляните на иллюстрацию клапанного механизма.
выше. Открытие и закрытие клапана (фазы газораспределения)
управляется распределительным валом (деталь №7).
Как распределительный вал
(А.К.А. «шишка») вращается вокруг своей оси, имеет форму яйца.
«лепесток» толкает толкатель вверх, когда выступ вращается под ним.
Толкатель толкает толкатель (деталь №5) вверх, что
в свою очередь заставляет коромысло (деталь № 2) поворачиваться (раскачиваться) на
его вал. Как пара детей на качелях,
когда одна сторона коромысла поднимается, другая сторона
должен опуститься, толкая шток клапана вниз и
открытие клапана (часть № 1) в то же время. К
добиться надлежащего зазора клапана, вы должны быть
абсолютно уверен, что распределительный вал не находится в положении
оказывать какое-либо восходящее давление на толкатель (удар
вниз).Но распределительный вал спрятан глубоко внутри двигателя, поэтому
как вы можете сказать, что это не в том месте, где мочка
начинает сползать к толкателю? Есть
пара способов сделать это. Первое называется «Правило
9”, и пока он работает на наших двигателях TR2-4A, он может
не обязательно применимо ко всем 4-цилиндровым двигателям.
Вот
как это работает:
Сняв крышку коромысла, мысленно пронумеруйте каждую
клапан и коромысло спереди назад.Есть 2 клапана
на цилиндр, поэтому ваши числа будут 1-8 на 4 цилиндра
ТР. Я люблю выкручивать все свечи зажигания, чтобы двигатель
будет легче вращать рукой, тогда я потянусь вниз и
потяните за лопасть вентилятора, чтобы медленно провернуть двигатель
(по часовой стрелке, если смотреть спереди). Когда №1
клапан полностью открылся и только начинает закрываться, отрегулируйте
Клапан №8 (1+8=9). Чтобы отрегулировать зазор клапана, см.
рисунки 1 и 2.Ослабьте стопорную гайку (деталь № 4) с помощью ½”
гаечный ключ и проверьте зазор щупом
правильной толщины при повороте отверткой
регулировочный винт (деталь №3). У вас будет
достигнута правильная регулировка, когда есть небольшое
Чувство сопротивления на щупе. Удерживая регулировочный винт
положение с помощью отвертки, пока вы затягиваете замок
гайка прочно удерживает регулировку. Регулировочный винт будет
хотите повернуть, когда вы затягиваете стопорную гайку, так что вы
вероятно, придется приложить какую-то противоположную силу к
отвертка, чтобы винт не двигался.
Когда
гайка затянута, перепроверьте зазор щупом
измерять. Если он изменился от легкого сопротивления, которое вы чувствовали
сначала ослабьте гайку и начните сначала. Продолжать
пока гайка не будет затянута и вы не будете уверены, что зазор
как указано, затем переходите к следующему.
Вращайте двигатель лопастями вентилятора и следите за клапаном.
№ 2. Когда он полностью открыт, и видно, что он только начинает приходить
вверх (закрыть), вы будете знать, что пришло время отрегулировать клапан № 7
(2+7=9).Продолжайте двигаться к задней части
двигатель, наблюдая, как каждый последующий клапан полностью открывается,
и регулировка клапана, номер которого добавлен к открытому
в сумме получается 9. Когда вы дойдете до задней части
двигатель, клапан № 8 открыт, и вы отрегулировали № 1, все
Ваши клапаны будут отрегулированы, и работа сделана.
Как я упоминал ранее, это «Правило 9» работает на
Двигатели Triumph TR2-4A, но это не обязательно работает
для каждого двигателя или 6-цилиндровых двигателей TR.
Для этого
причина, я предпочитаю регулировать клапана на цилиндр за цилиндром
основе, так что я знаю, что происходит с распредвалом
любого двигателя, над которым я мог бы работать.
Взгляните на фото выше. Вот Триумф TR4
двигатель со снятой крышкой коромысел. Мы знаем это
на каждый цилиндр имеется впускной и выпускной клапан,
и вы можете видеть, что они расположены с обеих сторон
свечного отверстия. Первые два относятся к цилиндру
№1, вторые два для цилиндра №2 и так далее.Имея немного знаний о 4-тактном двигателе
процесса, я знаю, что впускной клапан открыт во время
такта впуска, а выпускной клапан открыт во время
такта выпуска, и оба клапана должны быть закрыты во время
такта сжатия и рабочего хода. Но какой клапан
какой, и как мы узнаем, какой штрих какой-либо конкретный
может цилиндр горит?
Во-первых, давайте определимся, какой клапан какой. это красиво
это легко сделать при снятой крышке коромысел.Посмотрите на
противоположной стороне головы на рисунке №3, и вы можете
Следите за направляющими впускного коллектора от карбюраторов
к впускному клапану каждого цилиндра.
Вы также можете увидеть
что выпускной коллектор выровнен с клапаном для каждого
цилиндр, так что бы выпускной клапан! Теперь, если вы
медленно вращайте двигатель лопастями вентилятора, как это было
сделано с помощью метода «Правило 9» выше, вы можете посмотреть
каждый клапан открыть и узнать, в каком цилиндре вы находитесь
наблюдение происходит в такте впуска или выпуска.По дизайну,
между выхлопом и впуском есть небольшой участок
ходов, когда выпускной клапан все еще закрыт, а
впускной клапан начинает открываться, поэтому я регулирую клапана
каждого отдельного цилиндра следующим образом: Когда впускной
клапан начинает подниматься (закрываться), отрегулировать выпускной клапан
для этого цилиндра. Не может быть, чтобы выпускной клапан
все еще открыт к концу такта впуска, а
цилиндр должен пройти через компрессию и мощность
ударов, прежде чем он снова начнет открываться.Когда выхлоп
клапан только начинает опускаться (открываться), отрегулировать впуск
клапана, уверен, что полный ход выпуска выдерживает
между текущим положением поршня и началом
такт впуска.
Наблюдая таким образом за клапанами, я могу
убедитесь, что выступ распределительного вала направлен вниз для клапана
Я собираюсь настроить. Работает каждый раз, для каждого двигателя,
и я могу регулировать по одному цилиндру, не прыгая
повсюду и приходится работать с математикой
проблемы одновременно!
Когда регулировка клапана завершена, остается только
установить свечи зажигания и крышку коромысел.Всегда используйте
новая прокладка крышки коромысел, и даже тогда они склонны
подтекает масло, поэтому я всегда приклеиваю новую прокладку в коромысло
покройте уплотнителем 3M и дайте ему высохнуть перед
установка крышки обратно на двигатель. Теперь возьми свой ТР
на тест-драйв, и всякий раз, когда вы слышите громкий
тиканье из-под клапанной крышки, у тебя все получится
снова!
Как влияет слишком большой или слишком маленький зазор клапанов на работу дизельного двигателя? — Знания
Как влияет слишком большой или слишком маленький зазор клапанов на работу дизельного двигателя?
Зазор клапанов дизельного двигателя следует проверять часто.
Слишком большой или слишком маленький зазор повлияет на правильность фаз газораспределения и герметичность клапана и даже вызовет повреждение всего механизма передачи клапана.
Влияние зазора клапана:
Если зазор клапана слишком мал, клапан задерживается после нагрева, так что клапан открывается рано и закрывается поздно или даже не может быть закрыт. Клапан и седло клапана не взаимодействуют в тесном контакте, что приводит к утечке клапана. Утечка клапана ухудшает процесс сгорания, снижает мощность дизельного двигателя, дымит выхлопную трубу и явление возгорания, а также возгорание клапана.
если зазор клапана слишком большой, приводные части будут создавать большую ударную нагрузку, повредить кулачковый механизм, вызвать вибрацию пружины клапана или даже поломку
Из-за высокой рабочей температуры выпускного клапана выпускной клапан зазор обычно больше зазора впускного клапана.
Diesel Engine Model | Заливка клапана впускного клапана (мм) | Выпускной клапан (мм) | |
Z150 / Z170 / Z180 | 0. | 0,50 | |
V170 | 0,50 | 1,00 | |
ZC200 | 0,40 | 0,80 | |
Z210 | 0.30-0.40 | 0.50-0.60 | |
0.30-0.50 | 0.50-0.70 0.50-0.70 | ||
Регулировка зазора клапанов:
В процессе работы дизельного двигателя из-за вибрации, износа и других причин высота одноименного клапана и зазор клапана могут изменяться, их следует регулярно проверять и регулировать.
Проверку и регулировку обычно проводят после охлаждения дизельного двигателя или остановки горячего двигателя на 4 часа.
Проверните коленчатый вал в порядке включения, чтобы поршень проверяемой головки блока цилиндров находился в верхней мертвой точке, проверьте зазор щупом и при необходимости отрегулируйте.
1. Подготовка перед регулировкой
Снимите кожух крышки цилиндра, откройте крышку корпуса кулачкового механизма, поворачивая вручную, соответственно, колонка толкателя и базовая круглая часть кулачка соприкоснутся.
2. Отрегулируйте зазор на обоих концах одноименного воздушного клапана
Слегка приподняв клапан (4 или 6), вставьте щуп 0,05 мм 5 и 1 относительно стороны регулировочного винта, поверните регулировочный винт с небольшим трения, подергайте щуп, слегка и аккуратно законтрите гайку на регулировочном винте, затем слегка приподнимите клапан над верхней рамкой (4 или 6), вставьте 0.05 мм щуп 5 и под регулировочный винт 1, рывок щупа 5 еще немного немного трение, зазор одного и того же золотника на обоих концах верхней рамы считают равным.
3. Отрегулируйте зазор между коромыслом и держателем клапана
После регулировки зазора клапана на концах рамы головки клапана, с помощью того же регулировочного винта ослабьте коромысло 9 7, щуп будет вставлен между рамой головки клапана и коромыслом, вращая регулировочный винт, с небольшим трением сделайте щуп и подергивание между коромыслом и рамой головки клапана, а затем с помощью гаечного ключа и отвертки затяните гайки и снова проверьте зазор.
4. Отрегулируйте конец
Крышка с корпусом Крышка блока распредвала и корпус головки блока цилиндров. Если вы хотите проверить синхронизацию клапана, не устанавливайте крышку и кожух.
Теплая подсказка
Проверка зазоров клапанов — это профессиональная работа, для проверки и регулировки требуется профессиональный технический персонал, обычно не рекомендуется регулировать.
Регулировка клапанов — автомобили Tropicars Golf и внедорожники
Проверяйте и регулируйте клапаны каждые 250 часов или каждый год Для обеспечения нормального запуска и работы двигателя.
Общим симптомом будет то, что двигатель будет плохо запускаться или будет медленно проворачиваться, как будто аккумулятор разряжен или стартер буксует. Это указывает на то, что впускной клапан скоро закрывается, а это означает, что коромысло ослаблено и должно быть отрегулировано в соответствии со спецификациями. Ниже приведена процедура для
Проверка и регулировка клапанов на двигателе Kawasaki FJ400-D.
ПРИМЕЧАНИЕ: ЭТА ПРОЦЕДУРА ВЫПОЛНЯЕТСЯ НА ХОЛОДНОМ ДВИГАТЕЛЕ
Снятие крышки коромысла
Инжир.20 Измерение зазора клапана
Список инструментов Кол-во
Трещотка ——————- 1
Удлинитель 6″ ————- 1
Головка, 10 мм ———— 1
1. Снимите четыре болта (5), крепящих крышку коромысел.
Снимите крышку коромысла (2) и прокладку.
Если зазор клапана неправильный, отрегулируйте его.
Рис. 20 Крышка коромысла
Проверка зазоров клапанов
Поверните коленчатый вал в правильном направлении, пока поршень не окажется в ВМТ такта сжатия.
Проверка зазоров клапанов
Рис. 21 Регулировка зазора клапанаСписок инструментов
Бит с внутренним шестигранником, 3 мм —————— 1
Трещотка —————————- 1
Удлинитель 6″ ———————- 1
Щуп ———————- 1
Гаечный ключ, 14 мм ——————- 1
Динамометрический ключ, фунт-дюйм ———— 1
УВЕДОМЛЕНИЕ
Клапанный зазор необходимо проверять при холодном двигателе (при комнатной температуре).
При снятой крышке коромысел установите поршень в ВМТ такта сжатия, поворачивая коленчатый вал в направлении его вращения.
Затем проверьте клапанный зазор щупом (7), измерьте клапанный зазор между коромыслом (8) и концом штока клапана.
Зазор клапана (в холодном состоянии): впускной, выпускной 0,10–0,15 мм (0,004–0,006 дюйма)
Ослабьте стопорный винт (10) с помощью шестигранной насадки 3 мм и регулировочной гайки (11). Вставьте щуп (7) между коромыслом и концом штока клапана и перемещайте регулировочную гайку (11) до тех пор, пока щуп не начнет зажиматься между коромыслом и концом штока клапана.
Удерживая регулировочную гайку (11) с помощью гаечного ключа, затяните стопорный винт (10) с указанным крутящим моментом 61 фунт-дюйм (6,9 Нм).
ОСТОРОЖНО
НЕ затягивайте слишком сильно.
Повторно измерьте все отрегулированные зазоры. При необходимости отрегулируйте.
Замените крышку коромысел (6), прокладку и четыре болта (5). Затяните болты, чтобы зафиксировать крышку на месте.
Изменилась ли наука за эти годы?
Зазор клапана.В некоторых двигателях это требование для плавной работы. В других случаях это может указывать на проблему.
Если вы не знали, зазор клапана — это «зазор», измеренный между коромыслом и клапаном. Он создает тикающий шум, который может быть либо намеком на то, что под капотом двигателя находится несколько дополнительных пони, либо на то, что двигатель нуждается в серьезном обслуживании. Контрольный щелчок кулачка цельного подъемника не то же самое, что «шум подъемника» неотрегулированного клапана.
Когда дело доходит до фактической настройки клапанов, нет недостатка в мнениях о выполнении задачи, включая дезинформацию.Мы хотели быть уверены, что предоставили вам правильную информацию, поэтому обратились к Марку Кэмпбеллу, директору по продажам COMP Cams. Марк работает в компании уже несколько лет и кое-что знает о распределительных валах и клапанных механизмах. Но прежде чем мы перейдем к тому, что можно и чего нельзя делать с регулировкой клапанов, мы, вероятно, должны рассказать вам о нескольких основных моментах.
Для простоты; прочный подъемник (справа), как следует из названия, представляет собой цельный кусок металла.
Внутренних компонентов, как в гидроподъемнике (слева), нет.
Смазывать или не смазывать
Во-первых, толкатель клапана (также называемый толкателем или толкателем кулачка) перемещается по выступу распределительного вала. Затем он передает движение подъемника вверх и вниз для открытия и закрытия клапанов. Кроме того, когда речь идет о подъемниках, вы имеете в виду либо гидравлический, либо монолитный блок. Гидравлический подъемник имеет подпружиненную внутреннюю часть, позволяющую изменять работу путем сжатия и отпускания внутренних частей подъемника. Это необходимо для правильной работы двигателя (подробнее об этом позже).
С завода большинство отечественных двигателей V8 оснащались гидрокомпенсаторами. Эти «маслонаполненные» подъемники разработаны с учетом изменений зазора в клапанном механизме, чтобы постоянно поддерживать нулевой зазор при любых условиях эксплуатации. Это достигается путем заполнения и опорожнения подъемника моторным маслом через дозирующее отверстие и обратный клапан.
Когда подъемник заполняется маслом, он нагнетается. Когда масло выходит из подъемника, оно стекает вниз.
С другой стороны, цельный подъемник не заполняется маслом. В отличие от гидравлического подъемника, внутри которого находится подпружиненный механизм, сплошной подъемник не имеет движущегося внутреннего механизма для захвата зазора и фактически требует небольшого зазора между подъемником, толкателем и коромыслом для правильной работы. . Прочный подъемник не имеет подпружиненного внутреннего механизма и требует зазора для учета тех изменений, которые возникают во время работы. Этот зазор называется зазором клапана.
Вообще говоря, проверенный временем метод устранения всех зазоров и последующего поворота регулятора на 1/4 или 1/2 оборота работает нормально, но на самом деле вы должны устанавливать предварительную нагрузку для конкретного типа подъемника, клапана давление пружины, предполагаемый диапазон оборотов и профиль кулачка». – Марк Кэмпбелл
Но зачем при регулировке клапанов цельному подъемнику нужен зазор? Когда кулачок вращается, подъемник должен позволить клапану закрыться.
В подпружиненном гидравлическом подъемнике внутренняя пружина компенсирует высокую скорость вращения движущихся компонентов, а движение внутренней пружины подъемника позволяет клапану закрыться и полностью сесть.Поскольку сплошной толкатель не имеет возможности сжатия, в системе необходимо ввести некоторый зазор, чтобы клапан мог полностью закрыться (посадить). Теоретически это должно происходить при нулевом зазоре, но при подаче тепла во время работы двигателя необходим некоторый дополнительный зазор, чтобы дать клапанному механизму с твердым толкателем небольшое пространство для компенсации изменений размеров из-за теплового расширения.
При использовании цельных подъемников необходимо установить указанную величину зазора. Если зазор не используется, двигатель не только не будет работать правильно, особенно после прогрева, но и может произойти повреждение клапанного механизма.
Как уже упоминалось, сплошной подъемник требует заданного количества зазоров, в то время как двигатель с гидравлическим кулачком требует нулевого зазора.
На самом деле, при регулировке клапанов двигателя с помощью гидрокомпенсаторов некоторые могут назвать технологические настройки зазора, но на самом деле вы не регулируете зазор или зазор — вы фактически устанавливаете предварительную нагрузку на внутренний механизм подъемника.
Чтобы понять, как гидравлический подъемник может компенсировать провисание клапанного механизма при сохранении нулевого зазора, мы должны взглянуть на его внутреннюю работу.Когда клапан закрыт, пружина плунжера в гидрокомпенсаторе занимает весь зазор в клапанном механизме. В это время масло поступает в корпус подъемника через питающие отверстия и течет внутрь к плунжеру подъемника. Масло продолжает течь вниз через отверстие в днище плунжера, вокруг обратного клапана и через отверстия в держателе обратного клапана, полностью заполняя нижнюю полость.
Когда толкатель начинает двигаться вверх по выступу кулачка, масло под плунжером пытается вытечь через обратный клапан.Этот внезапный поток масла заставляет обратный клапан закрыться, закрывая отверстие в нижней части плунжера.
В это время на подъемник действует полная нагрузка клапанного механизма. Но, поскольку жидкость не может быть сжата, подъемник теперь действует так, как если бы он был цельной конструкцией.
В легком или слегка модифицированном двигателе толкатели с гидравлическими клапанами имеют несколько преимуществ по сравнению со сплошными толкателями. Вот некоторые из них: отсутствие необходимости в частых регулировках клапанов, более тихая работа из-за отсутствия зазоров, увеличенный срок службы клапанов и распределительных валов, более плавная работа двигателя и постоянная способность компенсировать расширение и сжатие деталей клапанного механизма из-за изменения температуры.
Как правильно
Если вы спросите четырех разных людей о регулировке зазора клапана или предварительного натяга, вы, скорее всего, получите от трех до четырех разных инструкций о том, как это сделать.
«При регулировке клапанов некоторые все еще думают, что использование метода ВМТ подходит для высокопроизводительного распределительного вала», — сказал Марк.
«Это может сработать в некоторых случаях, но использование метода закрытого впуска/открытого выпуска на 100% надежно». Метод ВМТ, на который ссылается Марк, представляет собой ход мыслей старой школы по размещению поршня в верхней мертвой точке (ВМТ).Как только поршень окажется в ВМТ, вы должны отрегулировать оба клапана для этого цилиндра. Однако, как заявил Марк, в настоящее время считается, что это неправильная процедура для получения надлежащего зазора, особенно в двигателях с агрессивным профилем распределительного вала.
Мы спросили Марка, есть ли какие-либо неправильные представления о регулировке предварительной нагрузки гидрокомпенсатора. «Вообще говоря, проверенный метод устранения всех зазоров и последующего поворота регулятора на 1/4 или 1/2 оборота работает нормально, но вы действительно должны устанавливать предварительную нагрузку, специфичную для типа толкателя, пружины клапана. давление, предполагаемый диапазон оборотов и профиль кулачка.Это требует большего знания всей комбинации и может дать гораздо лучшие результаты для данного приложения.
«Например, установка с высокой скоростью вращения и высоким давлением пружины с гидравлическим роликовым подъемником должна иметь подъемник с коротким ходом для запуска, но также иметь предварительную нагрузку, установленную на нижнюю треть хода подъемника. Это уменьшит ход плунжера и повысит способность подъемника восстанавливаться, когда он может выйти из-под контроля. По сути, при такой настройке подъемника он больше превращается в прочный подъемник (с небольшим количеством подушки), поэтому не требуется крепление, как у сплошного.Так мы достигаем 9000 об/мин в двигателе LS с гидравлическим катком. Это в сочетании с нашей новой технологией профиля лепестка, коническим пакетом клапанной пружины и новой технологией коромысла».
Настройка предварительного натяга на гидрокомпенсаторах осуществляется путем затягивания гайки коромысла при повороте толкателя до плотного прилегания. Со снятым впускным коллектором с двигателя немного проще.
Токарные ключи
Лучший способ отрегулировать предварительную нагрузку на гидравлическом подъемнике — сначала прогреть двигатель до рабочей температуры.
Регулировку не «прогретого» двигателя следует производить только на новых двигателях в качестве предварительной регулировки на моторном стенде. После запуска нового двигателя и завершения процедур первоначальной обкатки повторно отрегулируйте клапаны на нем при рабочей температуре.
«Работайте над одним цилиндром за раз», — говорит Марк. «Настройка впускного клапана и выпускного клапана для одного цилиндра за раз, в конечном счете, лучший способ, и он работает независимо от двигателя или распределительного вала. Установите впускной клапан, когда выпускной клапан только начинает открываться.Отрегулируйте выпускной клапан после того, как впускной полностью откроется и будет примерно наполовину закрыт. Именно так мы рекомендуем настраивать клапаны на на любом двигателе , и это надежно».
Гидравлический подъемник в разобранном виде.
Начните с вращения толкателя и ощущения сопротивления при затягивании гайки коромысла. Как только ощущается небольшое сопротивление, это считается нулевым ударом.
Затем поверните ключ на 1/8–1/4 оборота (если это производительный, гоночный или другой двигатель с высокими оборотами).Для мягкого уличного двигателя поверните ключ на 1/4–1/2 оборота после достижения нулевого зазора. Продолжайте эту процедуру для всех впускных клапанов, а затем начните с выпускных клапанов.
Настройка клапанов со сплошными толкателями аналогична регулировке гидравлических толкателей, однако вместо ощущения сопротивления при вращении толкателя вы будете использовать щуп для проверки регулировки зазора (зазора) между коромыслом и клапаном. Помните, что с прочным подъемником вам нужен зазор, а не предварительная нагрузка.Опять же, двигатель должен быть прогрет до рабочей температуры. Опять же, Марк рекомендует работать с одним цилиндром за раз.
Карта кулачка, поставляемая с вашим распределительным валом, сообщит вам, какую настройку зазора следует достичь. Как правило, настройка зазора на выпуске будет немного больше, чем на впуске. Например, если в вашей карточке указано значение зазора клапана 0,022 дюйма, поместите соответствующий щуп между верхней частью штока клапана и кончиком коромысла.
Затем плотно затяните гайку коромысла, пока не почувствуете сопротивление.Вы по-прежнему должны иметь возможность перемещать щуп вперед и назад. Помните, что это укладка для ресниц, и она не должна быть слишком тугой.
Когда подъемник наполняется маслом через отверстие подачи (стрелка), он нагнетается. Затем масло проходит через подъемник, а затем через толкатель к коромыслу.
«Требуемые ресницы на самом деле определяются конструкцией лепестка и областью применения», — заявил Марк. «У нас есть конструкции со сплошными кулачками, которые имеют зазор от 0,005 до 0,007 дюйма, а некоторые — до .028 дюймов и более. Типичное уличное или выносливое применение со сплошным катком, как правило, будет иметь более тугую зазор, а гоночный двигатель может иметь немного больший зазор. Тенденция, безусловно, направлена на использование более тугой затяжки, так как в целом это легче для деталей клапанного механизма. Кроме того, клиент может отрегулировать зазор на распределительном валу +/- на несколько тысяч дюймов, чтобы эффективно немного сместить синхронизацию кулачка, чтобы увидеть, есть ли какие-либо преимущества при определенном помоле».
Если вы установили новый распредвал, то двигатель явно будет холодным, но вам все равно нужно настроить клапана.В это время возникает проблема, потому что характеристики ремешка на карте вашего кулачка требуют, чтобы двигатель работал при нормальной рабочей температуре. В этом случае возьмите настройку, указанную на карте кулачка, и отрегулируйте следующим образом: с помощью железного блока и железных головок добавьте 0,002 дюйма к плети. Если вы используете железный блок и алюминиевые головки, вычтите 0,006 дюйма.
Увеличивая или уменьшая зазор между коромыслом и клапаном, вы можете перемещать диапазон мощности двигателя. Только будьте осторожны, чтобы отрегулировать зазор минимально.
Регулировка ресниц для повышения производительности
При настройке клапанов при регулировке зазора на цельнолитом подъемнике можно добиться некоторого повышения производительности за счет регулировки величины зазора. Поскольку клапаны не могут двигаться до тех пор, пока не будет устранен зазор (клапанный зазор), уменьшение величины зазора приведет к тому, что клапан откроется немного раньше.
Хотя это минимально, это обеспечит немного большую подъемную силу. Из-за небольшого увеличения продолжительности и подъемной силы распределительный вал будет казаться двигателю больше.
Если увеличить количество плетей, произойдет обратное. Клапан откроется позже, обеспечивая немного меньший подъем. Эти корректировки должны быть минимальными (начните с 0,001–0,003 дюйма). При уменьшении плети максимальная мощность в лошадиных силах немного увеличится. Увеличение зазора может улучшить крутящий момент на низах и, следовательно, ускорение.
«То, как вы устанавливаете плети, — самое важное», — подтвердил Марк. «Наиболее важно иметь двигатель с постоянной температурой — максимально близкой к рабочей температуре, при которой двигатель будет работать, — и метод, используемый для регулировки зазора.Опять же, правильный метод — делать это по одному цилиндру за раз и настраивать впускной клапан, когда выпускной клапан только начинает открываться. Затем отрегулируйте выпускной клапан, так как впуск полностью открыт и примерно наполовину закрыт.
Этот метод будет работать на сельскохозяйственном тракторе, двигателе Pro Stock и всем, что между ними».
Если вы не используете направляющие пластины толкателя, отличным выбором будут самоустанавливающиеся коромысла. Но если он используется в твердотельном подъемнике, то щуп необходимо будет обрезать, чтобы он поместился между направляющими шайбами.
Надеемся, что это простое руководство по регулировке клапанов вашего двигателя поможет развеять некоторые мифы и заблуждения, окружающие эту, казалось бы, простую задачу обслуживания. Теперь пришло время сбросить настройки клапанов и наслаждаться этим хот-родом, стоящим в гараже.
Регулировка клапана RX3
Cyclone имеет один распределительный вал с двумя кулачками и два коромысла. Одно коромысло приводит в действие оба впускных клапана; другое коромысло приводит в действие оба выпускных клапана.Лепестки кулачка приводят в действие коромысла. Когда кулачок поднимает коромысло, коромысло поворачивается на своем валу.
У коромысла есть один рычаг, который следует за кулачком вверх и вниз, и два рычага, которые приводят в действие его два клапана. Мы хотим, чтобы двигатель открывал впускные клапаны, чтобы впустить топливно-воздушную смесь, и мы хотим, чтобы двигатель открывал выпускной клапан. клапаны для выпуска выхлопных газов. Когда двигатель находится в верхней части такта сжатия, мы хотим, чтобы все клапаны были закрыты. Это потому, что мы хотим сжать топливно-воздушную смесь, воспламенить ее, а затем позволить полученному высокому давлению сгорания опустить поршень.Если во время этого происходит какая-либо утечка вокруг любого из клапанов, двигатель потеряет мощность и может «сжечь» клапан, если сгорающая топливно-воздушная смесь выйдет вокруг клапана, пока он все еще горит.
Когда инженеры проектируют двигатель, они хотят, чтобы он выполнял указанные выше функции, но они должны учитывать тепловое расширение, возникающее при повышении температуры двигателя при нормальной работе. Чтобы компенсировать это тепловое расширение, инженеры проектируют зазор в кулачке кулачка/коромысле/клапане.
По мере прогрева двигателя этот зазор приближается к нулю, и все работает как положено.
В этот момент вам может быть интересно, почему инженеры не могут просто построить брешь, а затем оставить все в покое. Проблема в том, что клапаны закрываются каждый раз, когда они поднимаются и опускаются. Подумайте о большом диаметре фактического клапана и порте головки блока цилиндров, против которого он образует седло. Вот в чем проблема: поскольку клапан миллионы раз ударяется о седло во время работы двигателя, очень небольшая деформация возникает как в клапане, так и в седле клапана.Он микроскопический, но со временем увеличивается по мере работы двигателя.
По мере того, как износ, описанный выше, увеличивается, он приводит к уменьшению зазора клапана (т. е. зазора, встроенного в клапанный механизм для компенсации теплового расширения при прогреве двигателя). Что происходит, так это то, что по мере износа клапан фактически перемещается выше в головку блока цилиндров, и зазор клапана уменьшается.
Если этот износ выходит за допустимые пределы без регулировки клапанов, клапанный зазор становится все меньше и меньше.В конечном итоге этот износ приведет к тому, что клапан будет удерживаться от седла при сгорании. Это плохо, потому что в этом случае горячие газы горения выходят в районе уплотнения клапана. В конечном итоге эти горящие газы разрушат клапан и седло. Вот что происходит, когда мы «сжигаем вентиль».
Если это звучит очень плохо, расслабьтесь. Мы избегаем этого, регулируя клапана. Все, что мы на самом деле делаем, — это поддерживаем зазор в клапанном механизме в приемлемом диапазоне в течение всего срока службы двигателя.По мере износа клапана и седла клапана мы все регулируем так, чтобы, когда двигатель прогрет до рабочей температуры, мы по-прежнему образовывали хорошее уплотнение вокруг седла клапана. Вот и вся идея этого бизнеса по регулировке клапанов.
В разных двигателях используются разные подходы к регулировке клапанов. В вашем двигателе Cyclone используется наилучший подход для простоты обслуживания и высокой производительности: в нем используется регулировочный вал с резьбой и контргайка для установки и блокировки зазора клапана.
Эти регуляторы расположены на концах коромысла, которые соприкасаются непосредственно со штоком клапана.Вы можете увидеть их на эскизе выше и на фотографиях, которые мы вам вскоре покажем.
Итак, со всей этой теорией позади, давайте подумаем, что мы собираемся делать здесь:
- Мы хотим получить доступ к коромыслам клапанов и их регулировочным винтам.
- Мы хотим, чтобы двигатель находился в такой точке своего вращения, чтобы коромысло находилось на базовой окружности кулачка. Это означает, что кулачок не приводит в действие коромысло. Мы хотим, чтобы в двигателе поршень находился в верхней мертвой точке (или очень близкой к ней), а это означает, что клапаны должны быть закрыты (это еще один способ сказать, что коромысло находится на базовой окружности кулачка).
- Когда двигатель находится в этом положении, мы хотим ослабить стопорные гайки резьбового регулятора, мы хотим установить зазоры клапанов на указанный зазор от 0,06 мм до 0,08 мм, и мы хотим затянуть стопорные гайки, чтобы зафиксировать резьбовые регуляторы в этот пробел.

- Когда мы закончили все вышеперечисленное, мы хотим собрать все обратно.
Понял? Хорошо, поехали….
Большая часть работы по регулировке клапанов связана именно с получением доступа к регулировщикам.Операция настройки (когда у нас есть доступ) занимает всего несколько минут.
При регулировке клапанов необходимо запускать холодный двигатель. Мертвый холод. Дайте вашему циклону полностью остыть. Не обманывайте в этой части. Я всегда позволяю велосипеду не работать в течение дня. Если от бега будет хоть немного теплее, то ваша настройка будет неправильной, и вся ваша работа будет напрасной. Дайте вашему циклону полностью остыть.
Снимите заднее сиденье с замком с ключом, переднее сиденье с двумя 8-мм болтами, весь кузов вокруг топливных баков и топливный бак.Как я уже говорил выше, это основная часть работы. Это работает намного лучше, если вы опустошите топливный бак (так что он не будет таким тяжелым). Убедитесь, что вы не пролили топливо, и убедитесь, что топливный бак находится в месте, где нет источников воспламенения.
И убедитесь, что вы не поцарапаете кузов. Это может показаться большой работой, но это довольно распространено на современных мотоциклах, и после того, как вы сделаете это в первый раз, вы обнаружите, что все это происходит примерно через 15 или 20 минут.
Знаете, когда я добрался до этого места на Циклоне, я был очень впечатлен.Качество литья и обработки этих двигателей очень и очень высокое. Это качественный продукт.
После того, как велосипед «открыт» для регулировки клапанов, следующим шагом является установка поршня в верхнюю мертвую точку. Когда мотоцикл находится в нейтральном положении, вставьте шестигранный ключ на 10 мм в порт картера и поверните коленчатый вал до тех пор, пока разметочная линия генератора не совместится с указателем в смотровом окне, как показано ниже.
Найти разметочную линию на крышке генератора может быть непросто, так как вам придется опуститься достаточно низко, чтобы ее увидеть.При этом надевайте защитные очки; вы же не хотите, чтобы масло попало вам в глаза! Это еще более усложняется тем фактом, что даже если вы сняли свечу зажигания, отверстие свечи зажигания в камере сгорания крошечное, и воздуху трудно выйти, когда вы поворачиваете коленчатый вал.
Вы по-прежнему будете чувствовать небольшое сжатие при вращении коленчатого вала. Не волнуйтесь; это нормальное явление для двигателя Cyclone.
Разметочная линия генератора не обязательно должна проходить точно по центру смотрового окна.То, чего мы действительно хотим достичь с помощью этого действия, — это поместить коромысла на базовую окружность профилей кулачка (то есть от выступов). Мы хотим, чтобы клапаны были закрыты (они не оставались открытыми). Мы хотим, чтобы клапаны были закрыты, когда мы регулируем зазор.
После того, как мы разместили двигатель, как описано выше, мы можем вставить щуп между клапаном и резьбовым регулятором. Этот зазор должен быть от 0,06 мм до 0,08 мм. Если створка толщиной 0,08 мм входит слишком легко, зазор клапана слишком велик.Это может привести к шуму клапанов (кран клапана). Если прокладка 0,06 мм не входит в этот зазор, зазор клапана слишком мал. Ездите так слишком долго, и вы сожжете клапан (как описано ранее).
Лично меня не беспокоит небольшой шум постукивания клапана («клапаны постукивания — это счастливые клапаны»), потому что он говорит мне, что клапаны полностью закрыты.
Однако, если зазор слишком большой, клапаны могут не подниматься достаточно далеко от седла, когда это должно быть, и мощность будет снижена.Но немного шума — это нормально, пока есть мощность.
Клапаны регулируются путем ослабления контргайки на каждом резьбовом регуляторе (как и многие гайки и болты на Cyclone, контргайка имеет размер 8 мм). Слегка выверните резьбовой регулятор с помощью отвертки с плоским лезвием (см. фото ниже), вставьте прокладку 0,08 мм, а затем завинтите регулятор до плотного прилегания к прокладке. Вы хотите, чтобы прокладка немного тянулась, когда вы вставляете и выдвигаете ее. Это то, что вы чувствуете после того, как сделали это пару раз.
Когда регулятор окажется в нужном положении, затяните контргайку. Затем снова проверьте зазор регулировочной шайбой. Иногда мне приходится делать это два или три раза, чтобы зазор оказался там, где я хочу, после затягивания контргайки. Это все часть процесса. Не торопитесь и сделайте это правильно.
Вам необходимо выполнить одинаковую регулировку (и установить каждый клапан на одинаковый зазор) для всех четырех клапанов циклона.
Когда я думаю, что закончил, я проворачиваю двигатель на пару оборотов вручную и снова проверяю зазор клапанов.Обычно это именно то место, где я хочу, но если это не так, я буду повторять описанный выше процесс, пока это не произойдет.
То, что вы только что сделали, может обойтись вам в тысячу долларов или больше на некоторых мотоциклах, если вы отвезете их к дилеру для регулировки клапанов. Вероятно, вам понадобится два или три часа, чтобы выполнить эту работу в первый раз, но после того, как вы сделаете это пару раз, вы сократите ее до часа.
Народ, вот и все. Все, что вам нужно сделать сейчас, это собрать все обратно, выйти и кататься!
ПЕРЕСМОТР: 05.10.2016 — Изменены допуски клапанов с 0.От 04–0,06 мм до 0,06–0,08 мм, чтобы отразить новые рекомендации по интервалу регулировки клапана 5 000.
Lash — это гораздо больше, чем просто небольшая щель
Вот хорошая история, иллюстрирующая динамику клапанного зазора в двигателе.
У Рона Кварнстрома был Ford Windsor на динамометрическом стенде в R&R Performance, который давал довольно хорошую мощность, когда он сделал перерыв, чтобы проверить гидрозамки.
Все клапаны были диаметром около 0,050 дюйма. Судя по всему, изготовитель двигателя по ошибке установил гидрозамок двумя склеенными вместе щупами.Quarnstrom сбросил плеть до 0,025 дюйма.
Да, снимать крышки неудобно, но на гоночных двигателях необходимо часто проверять зазоры клапанов, чтобы обеспечить оптимальную производительность и выявить потенциальные проблемы с клапанным механизмом.
«И двигатель потерял 32 лошадиные силы», — вспоминает он.
К счастью, у владельца двигателя были хорошие отношения со шлифовщиком кулачков, который использовал эту информацию для изготовления кулачка, который возвращал мощность с более подходящим зазором, который не бил бы клапанный механизм.
Клапанный зазор — это зазор между кончиком клапана и коромыслом, когда толкатель расположен на базовой окружности распределительного вала. Этот зазор имеет решающее значение в двигателях с толкателями, оснащенных сплошными толкателями, роликовыми или плоскими толкателями, а также требуется для большинства двигателей с верхним расположением распредвала, которые не имеют какой-либо гидравлической регулировки зазора.
Двигатели толкателя также могут иметь гидравлическую регулировку зазора. Подробнее об этом варианте позже.
«Рывки необходимы для того, чтобы справляться с изменением регулировки с горячего на холодное, поскольку скорости расширения металла различаются между блоком, головками, толкателем, клапанами и другими компонентами», – объясняет Билли Годболд из Comp Cams. «Изменение обычно составляет от 0,004 до 0,012 дюйма, в зависимости от конфигурации, и может варьироваться в большей или меньшей степени в некоторых приложениях».Контроль клапанного зазора больше касается проверки состояния клапанного механизма.– Стив Брюле, Westech Performance
«Что происходит, так это то, что толкатели не растут, а головка растет», — вторит Стив Брюле из Westech Performance, который на протяжении многих лет регулировал клапаны на сотнях двигателей, протестированных на двух динамометрических стендах SuperFlow.«Затем головка отодвигает коромысло дальше от толкателя».
Получение побоев
Если регулировка зазора слишком слабая или чрезмерная, клапанный механизм подвергается сильным биениям. Коромысло действует как кувалда, создавая импульс с дополнительным расстоянием и ударяя по кончику клапана. Большая часть этой силы отражается обратно через коромысло и толкатель к подъемнику. Сломанные толкатели и сгоревшие наконечники толкателей часто являются следствием слишком большого зазора клапана. Если зазор слишком тугой, впускной клапан может болтаться в открытом положении.
Некоторые двигатели имеют регулировку зазоров клапанов на толкателе, например, этот ранний Hemi.
Вот коромысло с регулировкой на конце толкателя.
«Вы также можете сжечь клапан, если он не полностью прилегает», — добавляет Годболд. «Выхлопные газы действуют как плазменный резак на седло и поверхность клапана».
Что касается конструкции кулачка, зазор влияет на нижние концы профиля подъема клапана. Эти участки кривой помогают «мягко» открывать и закрывать клапан.
И если эти области конструкции выступа уменьшаются или исключаются из-за чрезмерного зазора, то толкатель слишком быстро достигает более агрессивного угла рампы, и на клапанный механизм оказывается больше нагрузки.Кроме того, есть обратная сторона чрезмерно тугой зазора клапана.
Пожалуй, самый популярный метод регулировки клапанного зазора — это полилок на коромысле, закрепленном на шпильке. Есть регулировочная гайка и стопорный винт, которые работают вместе, чтобы правильно расположить коромысло.
«Мы говорим о скорости открытия и посадки. Как правило, при любом столкновении, демонстрирующем упругие характеристики, вы хотите вступить в контакт с ненулевой относительной скоростью», — говорит Годболд. «Следовательно, вы хотели бы иметь возможность контролировать скорость открытия и закрытия системы, когда клапан открывается и закрывается.При нулевом зазоре система будет вынуждена иметь нулевую скорость при открытии и закрытии, что ограничит производительность двигателя.
«Поскольку системы клапанных механизмов стали более жесткими и допускают более высокие ускорения, скорости открытия и закрытия несколько снизились, что противоречит здравому смыслу, — продолжает Годболд. «Однако ускорения движутся в противоположном направлении, чтобы добиться еще более короткого времени сидения с большей площадью. Тем не менее, я не вижу дня, когда мы хотели бы иметь настоящую «нулевую» скорость открытия и закрытия, которая требуется при нулевом ударе.
Обратите внимание на направляющие пластины толкателя на левой фотографии. Некоторые двигатели не имеют направляющих пластин или прорезей в цилиндре, чтобы удерживать толкатель на одной линии. В этих двигателях могут использоваться самоустанавливающиеся коромысла, которые либо имеют выступы на каждой стороне корпуса коромысла, либо наконечник ролика имеет встроенные шайбы для поддержания надлежащего выравнивания. Самоустанавливающиеся коромысла почти всегда используются с гидравлическими подъемниками, поэтому люфт не требуется.
Но если они используются в приложениях с твердыми подъемниками, то потребуется щуп, обрезанный так, чтобы он помещался между пазами.
Разработка кулачков с учетом зазора
По сути, производители кулачков имеют достаточно данных для разработки кулачков с определенным количеством встроенных зазоров для оптимизации производительности.
«У каждого проектировщика кулачков есть различные критерии для каждого типа применения, которые он будет учитывать при проектировании кулачка, будь то механическая или гидравлическая конструкция», — говорит Чейз Найт из Crane Cams. «Факторы включают бесшумность, длительный срок службы, шум клапанного механизма, надежность, диапазон оборотов, вес клапанного механизма и многое другое.Вот почему вы можете найти около дюжины лепестков от разных производителей, которые будут иметь, казалось бы, одинаковые подъемную силу и продолжительность, но фактическая работа и тестирование каждого из них могут дать заметно разные результаты среди них».
Двигатели с верхним расположением распредвала
Эта статья посвящена двигателям с верхним расположением клапанов толкателя, хотя большая часть теории зазоров клапанов и некоторые методы регулировки применимы к двигателям с верхним расположением распределительных валов. Как видно на фотографии выше, накладные коромысла могут иметь регулировочные механизмы для регулировки зазора.Другие двигатели OHC имеют гидравлические саморегулирующиеся устройства, которые можно использовать с пальчиковыми коромыслами в некоторых конфигурациях, но чаще всего они встречаются в установках ковшового типа, как показано ниже. Давление масла в двигателе используется для поддержания надлежащего контакта с кулачком и клапаном в этих гидравлических системах, при этом установка и техническое обслуживание различаются в зависимости от области применения. Это все для другой истории.
Как было отмечено в анекдоте, открывающем эту историю, правильный кулачок по-прежнему необходим для оптимальной работы, а зазоры клапанов — это способ немного отрегулировать настройку.
Более тугое плетение увеличивает подъемную силу и помогает повысить максимальную мощность. Свободная ресница может создать немного больше мощности на низах.«Изменения в потоке в головке блока цилиндров, коллекторе, сжатии и общем применении автомобиля делают замену зазора хорошим способом разобраться в вашей конкретной комбинации, точно так же, как продвижение или замедление вашего кулачка», — добавляет Найт.
Эти варианты могут стать дефицитными по мере того, как разрабатываются более «плотные» кулачки, особенно для выносливых двигателей, где желательна меньшая нагрузка на клапанный механизм.
«Возвращаясь к идее о более высоком ускорении и более низкой скорости посадки, большинство кулачков с тугими зазорами оказывают меньшее воздействие на систему клапанного механизма, но гораздо более высокие ускорения для достижения аналогичного движения», — говорит Годболд. «Предполагаемая цель — улучшить контроль и снизить высокочастотные или высокие гармонические входы в систему, которые могут сломать детали и привести пружины клапанов в резонанс.
Этот метод особенно удобен для некоторых больших двигателей с кулачковыми шейками и с более жесткими стальными коромыслами.
«Распределительный вал с тугими зазорами может позволить клапану первоначально ускоряться и замедляться быстрее, не будучи слишком резким, но может быть бесполезен в ситуациях, когда переход двигателя от холодного к горячему потребует частого сброса зазора», — говорит Найт. отмечая, что материалы двигателя играют решающую роль в таких решениях по распределительному валу. «Кулачки с плотным зазором также имеют уменьшенное окно зазора, которое можно использовать для тестирования, так как при слишком сильном увеличении надежность ухудшается.
Прочные подъемники на гидравлическом кулачке?
Эта новая тенденция в дизайне кулачков фактически смещается к кулачкам, сделанным для гидрокомпенсаторов, которые устраняют необходимость в клапанном зазоре, используя давление моторного масла для поддержания постоянного контакта между коромыслом и наконечником клапана, независимо от температуры двигателя.
Когда клапан закрыт, гидравлический подъемник наполняется маслом и вынуждает плунжер давить на толкатель и компенсировать любую слабину в системе. Подъемник предназначен для стравливания небольшого количества масла по мере необходимости, чтобы клапан не удерживался в седле.Однако на высоких оборотах у подъемника меньше времени для прокачки, и он может на самом деле «накачать» слишком много масла. Тогда клапан можно будет удерживать в открытом положении. Предлагаются новые конструкции гидравлических подъемников, использующие преимущества улучшенной конструкции лопастей.
Для регулировки предварительной нагрузки на гидравлических подъемниках необходимо затянуть коромысло, одновременно поворачивая толкатель до плотного прилегания. Со снятым впускным коллектором с двигателя немного проще.
Как только зазор становится нулевым, регулировочную гайку поворачивают еще на четверть или пол-оборота для установки предварительного натяга в соответствии с инструкциями производителя.
«Большинство лучших гидравлических двигателей для роликовых гонок используют конструкцию кулачка с цельным подъемником с тугим зазором.
За последние несколько лет компания Comp Cams разработала несколько серий профилей кулачков, которые занимают промежуточное положение между традиционным гидравлическим приводом и цельнолитыми роликами с плотным зацеплением», — объясняет Годболд, указывая на линии кулачков EHI и EHX, которые популярны в двигателях LS. . «Они отлично работают как с гидравлическим роликовым толкателем с коротким ходом, так и со сплошным подъемником на пределе возможной регулировки зазора для алюминиевых блоков и головок, около 0.012-дюймовый горячий.
«Во многих случаях допускается использование механических толкателей на гидравлическом распределительном валу, если используются относительно узкие зазоры клапанов», — добавляет Найт. «Без зазоров на гидравлических кулачках обычно подходят настройки зазоров 0,005 дюйма. Однако мы не рекомендуем использовать гидрокомпенсаторы на механических распределительных валах. Подъемники будут реагировать на рампы зазора так же, как и на кулачки с чрезмерным биением базовой окружности, что приведет к преждевременному накачиванию толкателя, удерживанию клапанов в открытом положении, потере мощности и избыточному давлению в толкателе, что может привести к его поломке.
Одним из возможных исключений может быть специальный подъемник гоночного типа, который производится с учетом ограничений правил гидравлических подъемников. Это будет иметь чрезвычайно короткий ход плунжера (от 0,010 до 0,020 дюйма) и высокую скорость утечки, по сути, действуя как механический подъемник во время работы».
Утомительная, но необходимая работа
Регулировка клапанного зазора — один из наименее гламурных этапов сборки и обслуживания двигателя, но, как и другие утомительные работы, такие как регулировка кольцевого зазора, их необходимо выполнять точно, чтобы добиться наилучшей мощности.Существует ряд предварительных проверок клапанного механизма, которые необходимы перед настройкой зазора, и эти меры предосторожности работают как со сплошными, так и с гидравлическими кулачками. Помимо проверки отсутствия повреждений, таких как сломанная пружина или погнутый толкатель, подъемники должны быть правильно установлены без каких-либо ограничений в их отверстиях.
Наиболее важными являются толкатели. Они должны быть прямыми и иметь правильный размер, чтобы обеспечить правильную геометрию клапанного механизма.
Убедитесь, что клапанный механизм не имеет повреждений и что выбрана правильная длина толкателя.Размах кончика коромысла можно проверить как в статическом, так и в рабочем положении, чтобы обеспечить желаемую геометрию коромысла.
Также убедитесь, что подъемники работают без помех.
«Длина толкателя на коромыслах, установленных на валу или на опоре, имеет решающее значение», — подчеркивает Брюле. «Потому что вы должны быть в заданном диапазоне. На коромысле со шпилькой вы все еще можете получить правильную регулировку клапанного зазора, но геометрия изменится».
В наиболее популярных уличных двигателях с верхним расположением клапанов обычно предусмотрен один из трех различных механизмов регулировки зазора: на толкателе, со стороны толкателя коромысла и с помощью стопорной гайки на шпильке коромысла.Эти регуляторы могут работать с гидравлическими или массивными кулачками, но цельные кулачки будут рассмотрены в первую очередь.
Основная процедура настройки одинакова для всех трех. Проворачивайте двигатель до тех пор, пока толкатель клапана полностью не окажется на базовой окружности распределительного вала. Используйте щуп и регулировочный механизм, чтобы установить желаемый зазор и зафиксировать настройку, прежде чем переходить к следующему клапану.
Ключи для регулировки клапанных зазоровможно приобрести в ряде источников. Этот слева от ProForm Parts.Просто наденьте ключ на стопорную гайку, и шестигранник с Т-образной рукояткой войдет в регулировочный винт. Некоторые производители коромысла требуют, чтобы стопорная гайка была затянута на месте. Этот удобный инструмент от Jesel на правом фото имеет встроенный динамометрический ключ, который также позволяет использовать шестигранный привод с Т-образной рукояткой.
Большинство производителей кулачков требуют регулировки зазора клапана при горячем двигателе. Это представляет собой небольшую дилемму для строителей новых двигателей или ситуаций в яме, где были заменены коромысла или пружины клапанов.
Каким должен быть зазор на холодном двигателе перед первоначальным запуском? Здравый смысл требует добавления 0,002 дюйма к настройке горячего плети с двигателем, состоящим из железного блока и головок; вычитание 0,006 дюйма для железных блоков / алюминиевых головок; и вычитая 0,012 дюйма для полностью легкосплавного двигателя. Эта коррекция обеспечит безопасный запуск и прогрев двигателя, чтобы можно было правильно отрегулировать клапаны в положении «горячих» клапанов.
Настройка по одному цилиндру
Некоторые производители двигателей предпочитают постоянно охлаждать свои двигатели, исходя из теории, что расширение металла во время прогрева различается, но «холод есть холод».«Они достигают оптимальной настройки, пока двигатель горячий, затем дают двигателю полностью остыть, прежде чем измерять давление в холодном состоянии и использовать эту настройку перед каждой гонкой.
Вот краткий обзор метода EO/IC. Когда выпускной клапан начнет открываться (левое фото), отрегулируйте впускной клапан. Когда впускной клапан вот-вот закроется, можно настроить выпускной клапан. Эта процедура также работает для настройки предварительной нагрузки гидроподъемника. Устанавливайте цилиндры по одному, сначала вниз по одному ряду цилиндров, а затем по другому.Или вы можете следить за порядком работы двигателя.
Шаг, с которым согласны большинство производителей двигателей, — это регулировка зазоров по одному цилиндру за раз. Существуют инструкции по эксплуатации, в которых описана последовательность поворота коленчатого вала на каждые 90 градусов, но это сбивает с толку перемещение между цилиндрами и сторонами двигателя. Если у вас поблизости есть переключатель стартера, например, на брандмауэре автомобиля или на динамометрическом стенде двигателя, устанавливайте по одному цилиндру за раз. Некоторые производители двигателей следуют порядку запуска двигателя, в то время как другие просто переходят на один берег, а затем на другой.Даже при ручном прокручивании двигателя на сборочном стенде большинство строителей предпочитают, чтобы регулировка по одному цилиндру не вызывала беспокойства.
При установке зазора убедитесь, что лезвие щупа параллельно поверхности наконечника клапана, иначе могут быть получены неверные показания.
Эта процедура обычно называется методом EO/IC, что означает открытие/закрытие выпускного отверстия. Работая с первым цилиндром, проворачивайте двигатель до тех пор, пока выпускной клапан не начнет открываться. Это указывает на то, что впускной клапан полностью опирается на окружность основания кулачка и может быть отрегулирован.Затем проверните двигатель, пока впускной клапан не закроется. Это означает, что выпускной клапан готов к регулировке. Просто повторите этот процесс со всеми оставшимися цилиндрами.
Процесс немного отличается для гидрокомпенсаторов. Нет никакого промежутка, чтобы установить; скорее, подъемнику нужна «предварительная нагрузка», чтобы поршень находился в центре своего хода. По сути, толкатель вращается одной рукой, а коромысло затягивается до тех пор, пока толкатель не будет плотно прилегать к месту или при нулевом зазоре.Затем регулятор поворачивают или затягивают до тех пор, пока не будет достаточно предварительного натяга. Степень поворота регулировочной гайки зависит от типа регулировочного механизма, а также от подъемника. В большинстве приложений будет использоваться шпилька коромысла 7/16-20. Полный оборот регулировочной гайки перемещает коромысло на 0,050 дюйма, поэтому четверть оборота обеспечивает предварительную нагрузку подъемника на 0,0125 дюйма. Регулировка на конце толкателя коромысла может быть рассчитана аналогичным образом. Jesel использует регулировочный винт 3/8–24, что соответствует .041-дюймовый механизм с каждым полным оборотом.
Работа с нерегулируемыми коромыслами
Гидравлические подъемники должны быть заполнены маслом перед установкой предварительного натяга. При сборке двигателя всегда рекомендуется замачивать толкатели в масле не менее 24 часов, чтобы заполнить полость. Предварительная смазка двигателя перед запуском также заполнит подъемники, но есть одно важное предостережение.
«У всех лифтеров должна быть небольшая предварительная нагрузка», — предупреждает Брюле. — Или же ты можешь вытолкнуть поршень прямо из корпуса подъемника.
Некоторые гидравлические кулачковые двигатели не имеют традиционной возможности регулировки, так как предварительная нагрузка устанавливается в основном длиной толкателя. Пока головки не фрезерованы или не установлен другой набор толкателей, предварительная нагрузка будет правильной при установке подъемников. Посмотрите видео Comp Cams ниже, чтобы поближе познакомиться с такой установкой.
Хотите еще одну историю от R&R Performance о зазорах клапанов? Кварнстром помнит Ford FE на динамометрическом стенде. Когда он опустил одну сторону двигателя, проверяя зазоры на каждом цилиндре, он заметил, что зазор увеличивается постепенно и равномерно.Передний цилиндр был около 0,028 дюйма, а задний цилиндр был до 0,060 дюйма. Кулачок был закреплен относительно прочно спереди благодаря установленному времени, но комбинация динамики вращения кулачка, мягких подшипников кулачка и неустойчивых пружин клапана заставила кулачок садиться ниже в каждом из следующих подшипников. Затем владелец двигателя понял, что пришло время вернуться внутрь блока. Это поднимает еще один хороший момент о том, чтобы следить за зазором клапана.
«Контроль зазора клапана больше касается проверки состояния клапанного механизма», — резюмирует Брюле.«Если все так, как должно быть, это действительно не должно меняться».
Регулировочные клапаны
Этот учебник больше основан на понимании необходимости поддержания зазора клапана на всех двигателях, а не на рассмотрении процедуры. Необходимые действия и зазор зависят от конкретного применения двигателя.
Распространенным возражением против регулировки клапанов является дорога до места обслуживания.
Прочитав это, я надеюсь, вы поймете, что рутинная работа стоит затраченных усилий.
Вопреки распространенному мнению, в двигателе без наддува (NA) отверстие цилиндра не заполнено полностью зарядом (топливно-воздушной смесью). Объем заполнения цилиндра измеряется в процентах и называется объемным КПД (VE). Двигатель NA испытывает примерно 80% VE, и это происходит при максимальном крутящем моменте.
Целью турбокомпрессора является увеличение VE до 100% или более. В зависимости от возможностей наддува и воздушного потока VE может выйти за рамки этого.
Впускной клапан является воротами в отверстие цилиндра.Если зазор клапана чрезмерный, подъем клапана теряется. В свою очередь, поток во впускном отверстии падает вместе с мощностью и крутящим моментом.
Что касается выпускного клапана, то уменьшенный подъем ограничивает опорожнение цилиндра во время такта выпуска и снижает мощность и долговечность из-за чрезмерного нагрева.
Неправильный клапанный зазор также влияет на фазы газораспределения и надежность двигателя.
Если зазор клапана слишком тугой, то клапан откроется раньше и закроется позже, чем предполагалось. Если он слишком свободный, клапан откроется позже и закроется раньше.
Слишком тугая установка зазора клапана может привести к тому, что клапан не полностью закроется на седле.
Это позволит сбросить давление в цилиндре вместе с высокотемпературными дымовыми газами. Тогда температура головки клапана и седла клапана может стать настолько высокой, что может произойти быстрое прогорание. Это может привести к пламенной резке головки блока цилиндров за седлом и поверхностью клапана. Обычно это усугубляется обугливанием масляной пленки на штоке клапана, из-за чего клапан застревает в направляющей.
Если зазор клапанов чрезмерный из-за отсутствия регулировки, двигатель шумит и страдает VE.
Чрезмерный износ возникает из-за ударов клапана о седло.
Не только регулировка
Регулировка клапанов также дает возможность проанализировать ситуацию и выявить потенциальные проблемы.
Показательно и состояние плети. Клапан, который перед регулировкой оказывается слишком тугим, обычно указывает либо на рецессию седла клапана, либо на то, что клапан проходит через головку блока цилиндров.
Любая ситуация представляет собой серьезную проблему, если ее не решить.
Напротив, при чрезмерном зазоре может быть виден грибовидный шток клапана или изношенные детали, такие как коромысло или механизм регулировки.
Вы найдете отличия на каждом цилиндре, но они должны быть минимальными.
.

вал с регулировкой клапанов (с/у) V-образный
40